lemon-mirror:
Home >> Lexus >> 2008 >> ES 350 >> Repair and Diagnosis >> Electrical >> Body Electrical >> OEM System Circuits >> ECT and A/T Indicator >> Notes

ECT and A/T Indicator: Notes

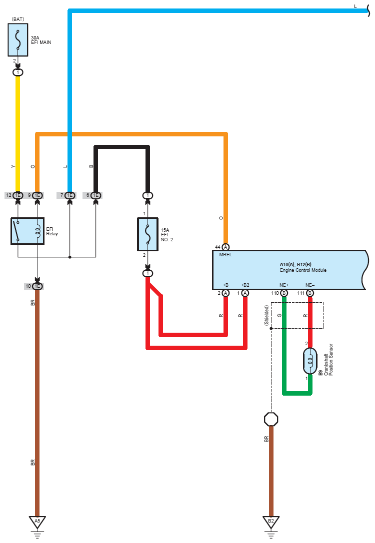
Fig 1: ECT And A/T Indicator - Circuit Diagram (1 Of 10)
G07619200Courtesy of © TOYOTA, LICENSE AGREEMENT TMS1002
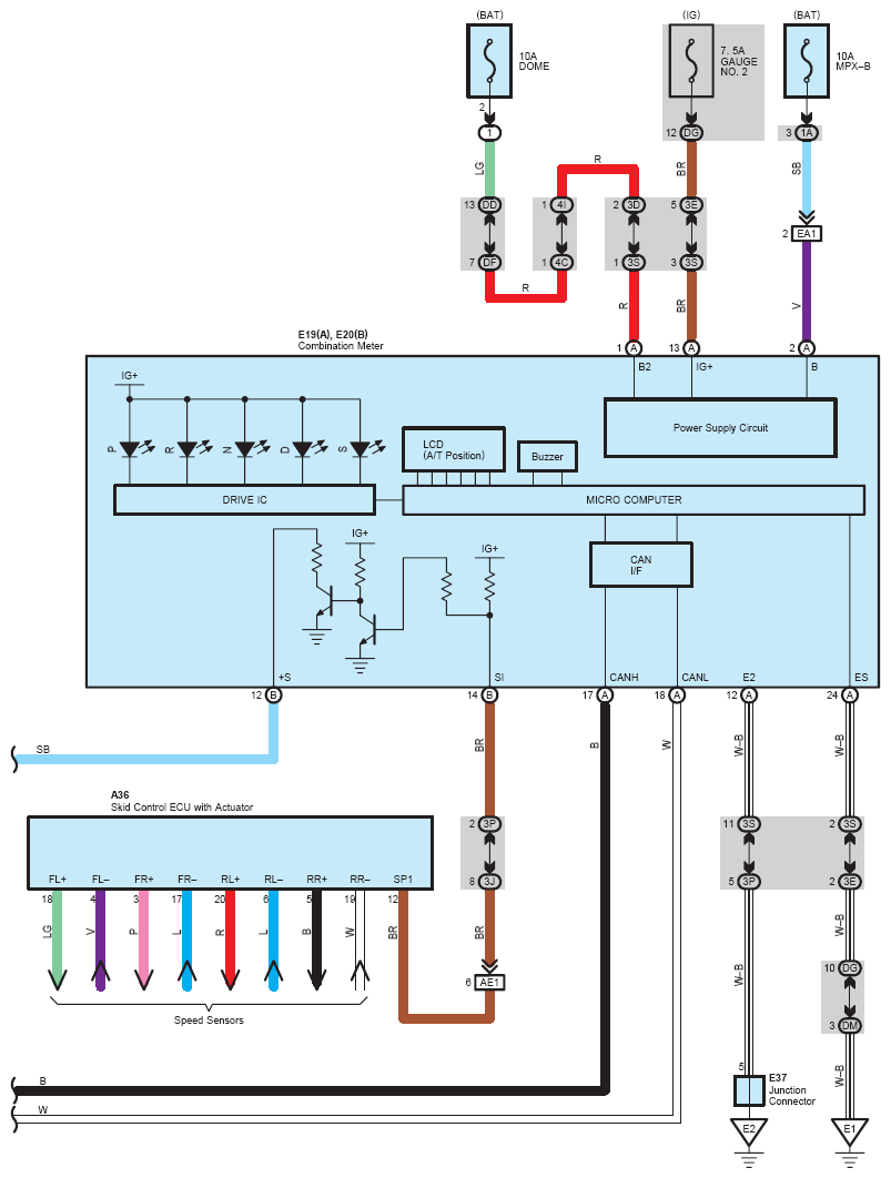
Fig 2: ECT And A/T Indicator - Circuit Diagram (2 Of 10)
G07619201Courtesy of © TOYOTA, LICENSE AGREEMENT TMS1002
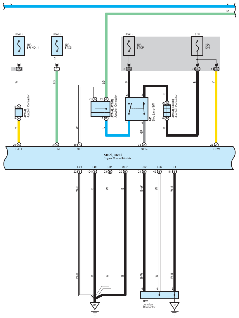
Fig 3: ECT And A/T Indicator - Circuit Diagram (3 Of 10)
G07619202Courtesy of © TOYOTA, LICENSE AGREEMENT TMS1002
Fig 4: ECT And A/T Indicator - Circuit Diagram (4 Of 10)
G07619203Courtesy of © TOYOTA, LICENSE AGREEMENT TMS1002
Fig 5: ECT And A/T Indicator - Circuit Diagram (5 Of 10)
G07619204Courtesy of © TOYOTA, LICENSE AGREEMENT TMS1002
Fig 6: ECT And A/T Indicator - Circuit Diagram (6 Of 10)
G07619205Courtesy of © TOYOTA, LICENSE AGREEMENT TMS1002
Fig 7: ECT And A/T Indicator - Circuit Diagram (7 Of 10)
G07619206Courtesy of © TOYOTA, LICENSE AGREEMENT TMS1002
Fig 8: ECT And A/T Indicator - Circuit Diagram (8 Of 10)
G07619207Courtesy of © TOYOTA, LICENSE AGREEMENT TMS1002
Fig 9: ECT And A/T Indicator - Circuit Diagram (9 Of 10)
G07619208Courtesy of © TOYOTA, LICENSE AGREEMENT TMS1002
Fig 10: ECT And A/T Indicator - Circuit Diagram (10 Of 10)
G07619209Courtesy of © TOYOTA, LICENSE AGREEMENT TMS1002