lemon-mirror:
Home >> Lexus >> 2008 >> ES 350 >> Repair and Diagnosis >> Electrical >> Body Electrical >> OEM System Circuits >> Pre-Collision System >> Notes

Pre-Collision System: Notes

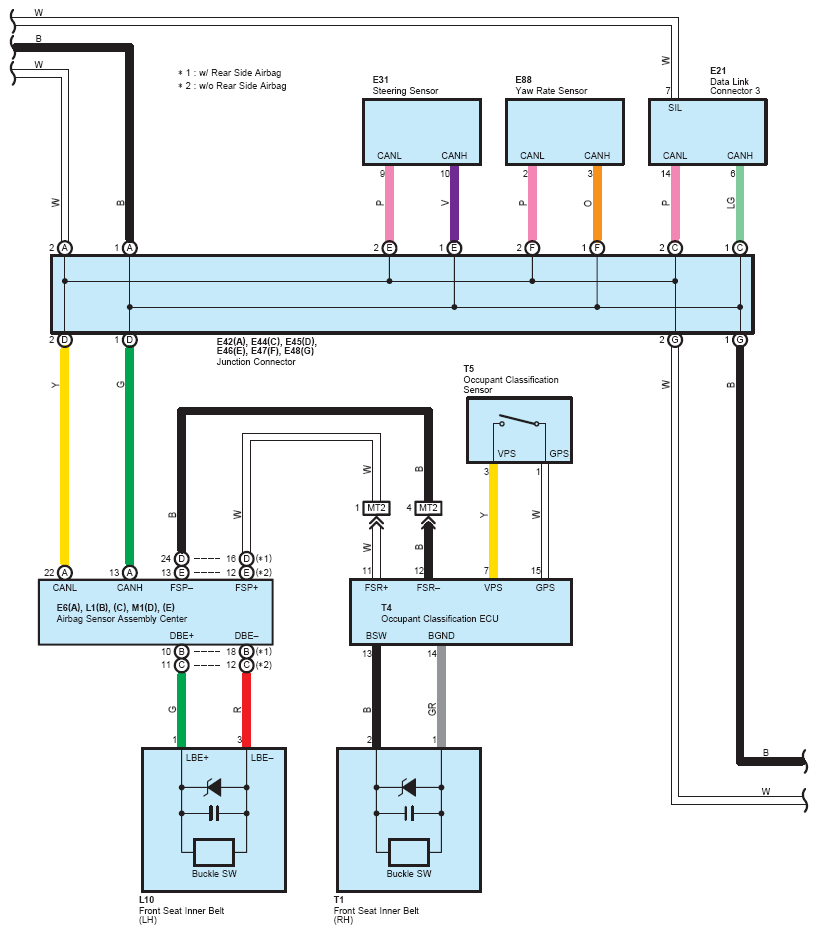
Fig 1: Pre-Collision System - Circuit Diagram (1 Of 4)
G07619246Courtesy of © TOYOTA, LICENSE AGREEMENT TMS1002
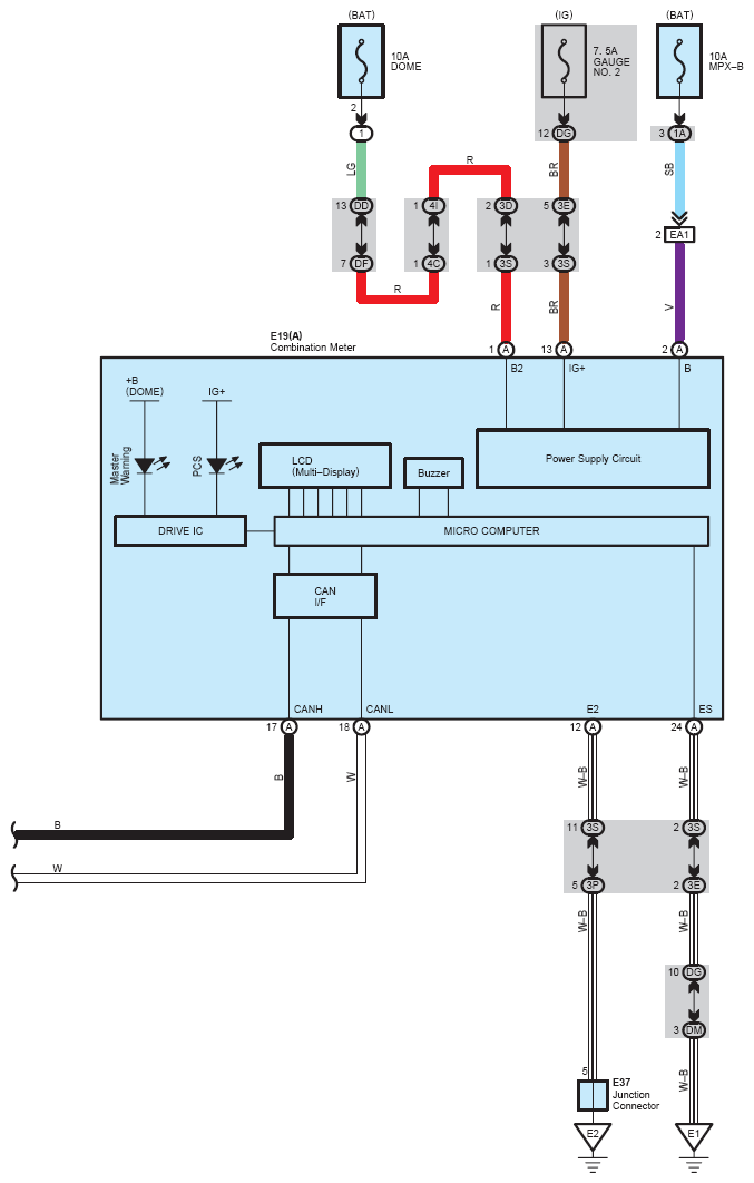
Fig 2: Pre-Collision System - Circuit Diagram (2 Of 4)
G07619247Courtesy of © TOYOTA, LICENSE AGREEMENT TMS1002
Fig 3: Pre-Collision System - Circuit Diagram (3 Of 4)
G07619248Courtesy of © TOYOTA, LICENSE AGREEMENT TMS1002
Fig 4: Pre-Collision System - Circuit Diagram (4 Of 4)
G07619249Courtesy of © TOYOTA, LICENSE AGREEMENT TMS1002