lemon-mirror:
Home >> Lexus >> 2008 >> ES 350 >> Repair and Diagnosis >> Electrical >> Starter >> Starting >> Starting System >> System Diagram

System Diagram

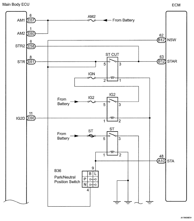
Fig 1: Starting System - System Diagram (1 Of 2)
G05835881Courtesy of © TOYOTA, LICENSE AGREEMENT TMS1002
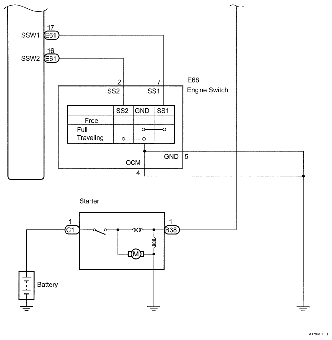
Fig 2: Starting System - System Diagram (2 Of 2)
G05835882Courtesy of © TOYOTA, LICENSE AGREEMENT TMS1002