lemon-mirror:
Home >> Lexus >> 2008 >> GS 450h >> Repair and Diagnosis >> Electrical >> Body Electrical >> OEM System Circuits >> EPS >> Notes

OEM System Circuits: EPS: Notes

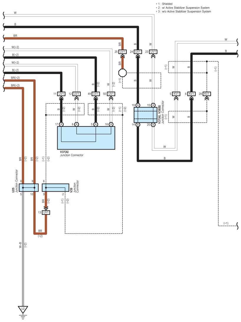
Fig 1: EPS - Circuit Diagram (1 Of 7)
G07613998Courtesy of © TOYOTA, LICENSE AGREEMENT TMS1002
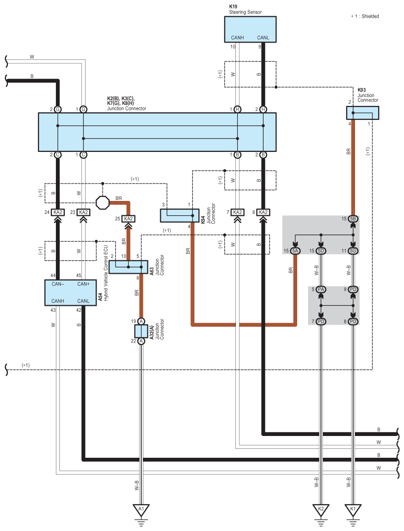
Fig 2: EPS - Circuit Diagram (2 Of 7)
G07613999Courtesy of © TOYOTA, LICENSE AGREEMENT TMS1002
Fig 3: EPS - Circuit Diagram (3 Of 7)
G07614000Courtesy of © TOYOTA, LICENSE AGREEMENT TMS1002
Fig 4: EPS - Circuit Diagram (4 Of 7)
G07614001Courtesy of © TOYOTA, LICENSE AGREEMENT TMS1002
Fig 5: EPS - Circuit Diagram (5 Of 7)
G07614002Courtesy of © TOYOTA, LICENSE AGREEMENT TMS1002
Fig 6: EPS - Circuit Diagram (6 Of 7)
G07614003Courtesy of © TOYOTA, LICENSE AGREEMENT TMS1002
Fig 7: EPS - Circuit Diagram (7 Of 7)
G07614004Courtesy of © TOYOTA, LICENSE AGREEMENT TMS1002