lemon-mirror:
Home >> Lexus >> 2008 >> GS 450h >> Repair and Diagnosis >> Electrical >> Body Electrical >> OEM System Circuits >> Multiplex Communication System - CAN >> Notes

Multiplex Communication System - CAN: Notes

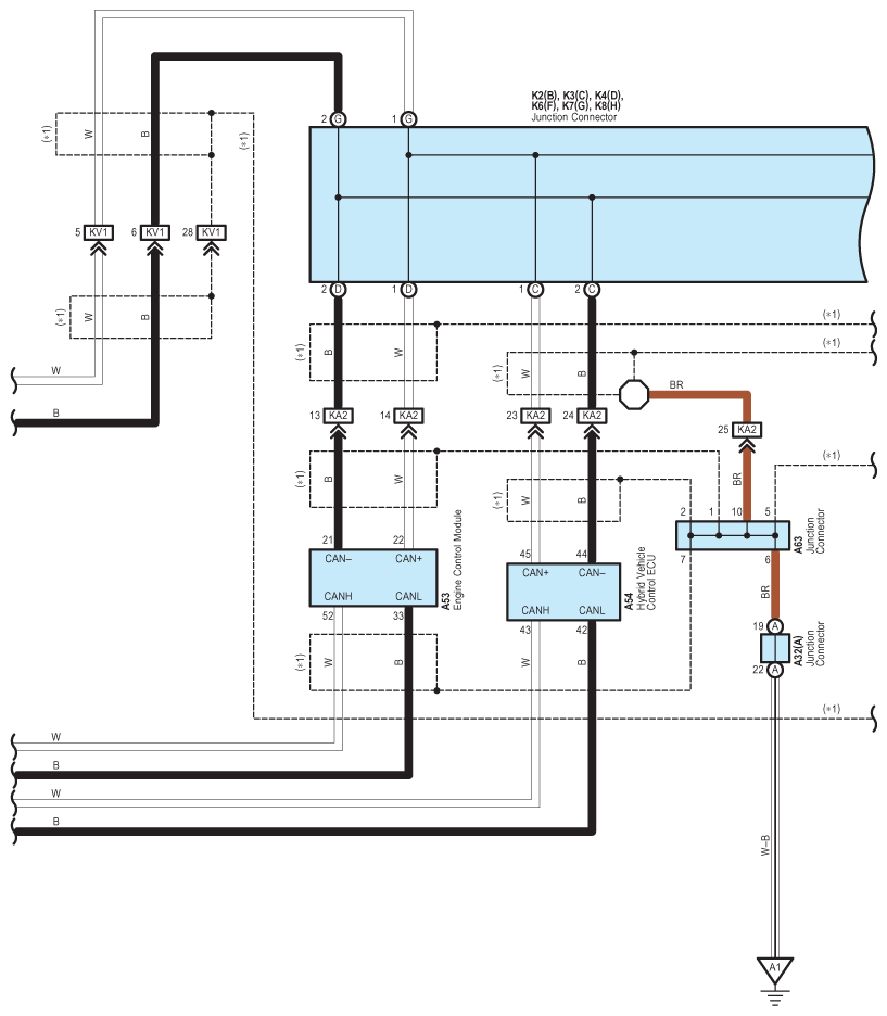
Fig 1: Multiplex Communication System - CAN - Circuit Diagram (1 Of 8)
G07613834Courtesy of © TOYOTA, LICENSE AGREEMENT TMS1002
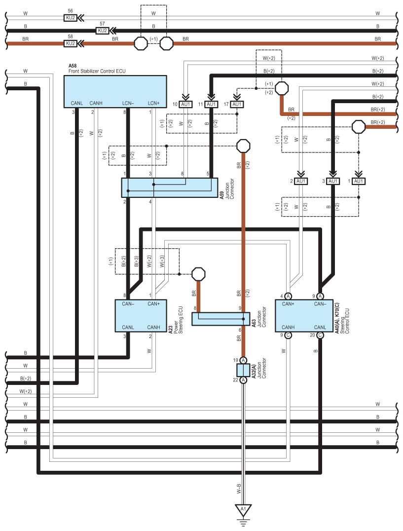
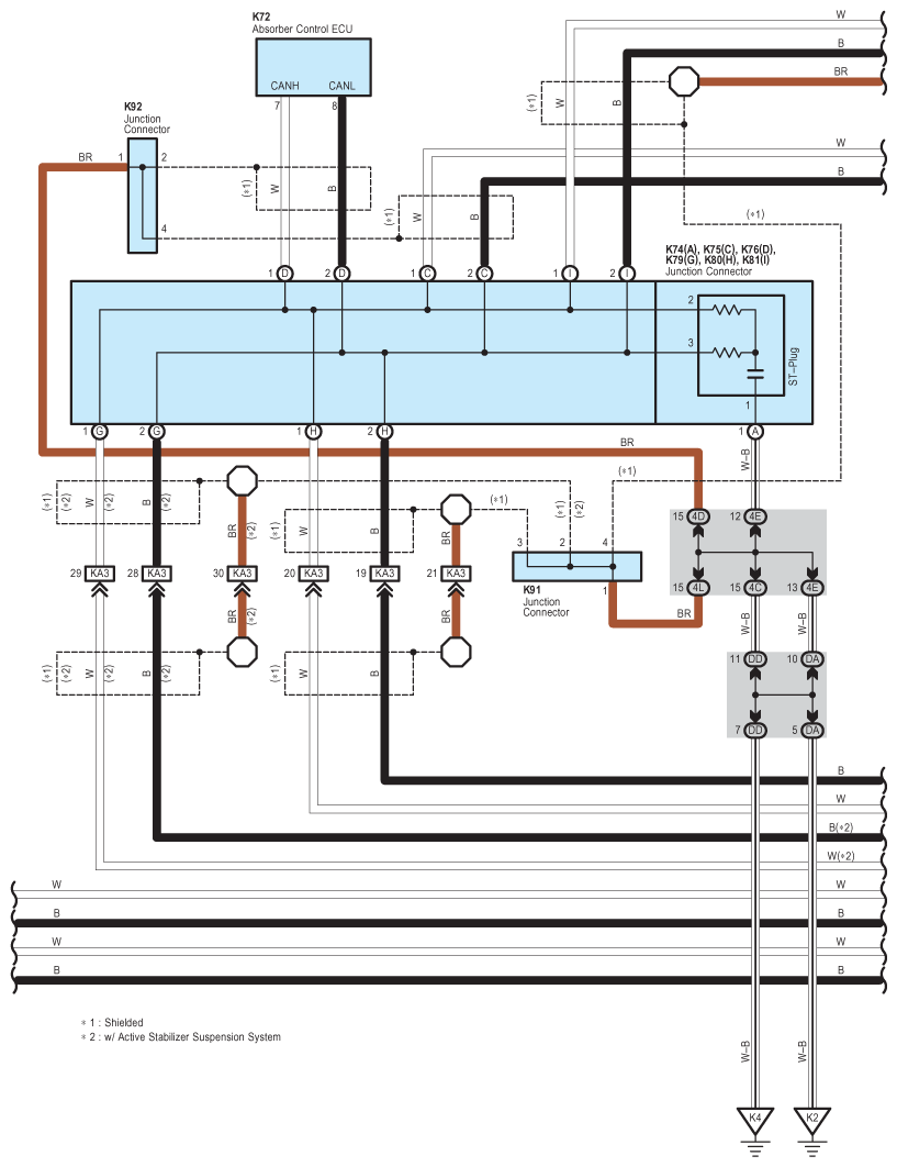
Fig 2: Multiplex Communication System - CAN - Circuit Diagram (2 Of 8)
G07613835Courtesy of © TOYOTA, LICENSE AGREEMENT TMS1002
Fig 3: Multiplex Communication System - CAN - Circuit Diagram (3 Of 8)
G07613836Courtesy of © TOYOTA, LICENSE AGREEMENT TMS1002
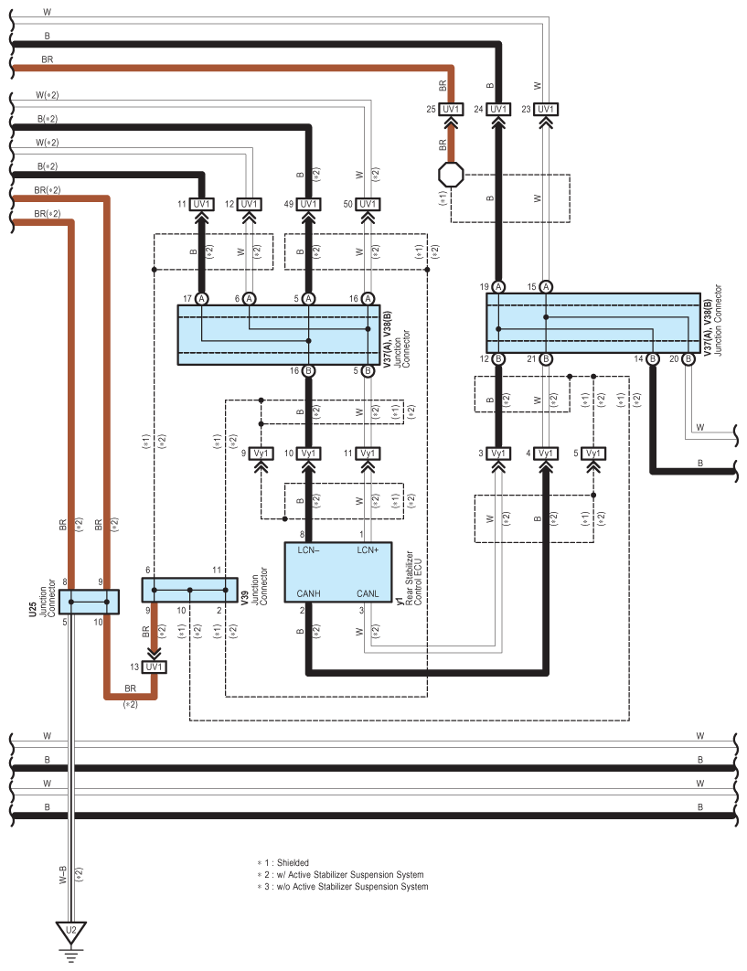
Fig 4: Multiplex Communication System - CAN - Circuit Diagram (4 Of 8)
G07613837Courtesy of © TOYOTA, LICENSE AGREEMENT TMS1002
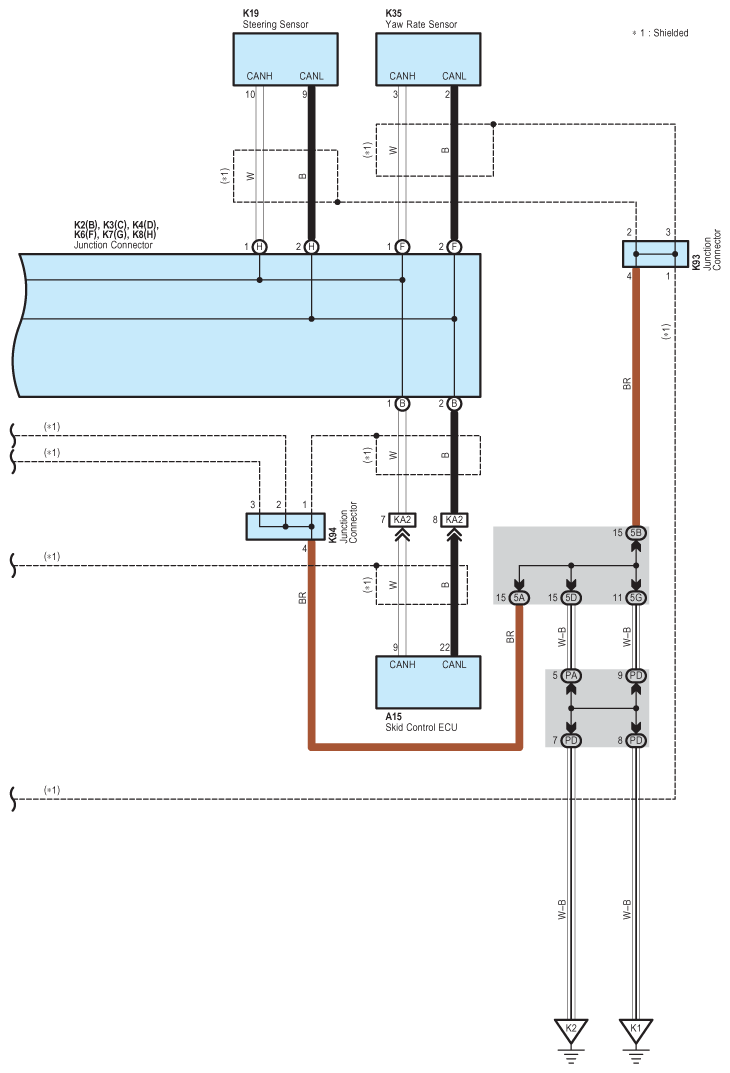
Fig 5: Multiplex Communication System - CAN - Circuit Diagram (5 Of 8)
G07613838Courtesy of © TOYOTA, LICENSE AGREEMENT TMS1002
Fig 6: Multiplex Communication System - CAN - Circuit Diagram (6 Of 8)
G07613839Courtesy of © TOYOTA, LICENSE AGREEMENT TMS1002
Fig 7: Multiplex Communication System - CAN - Circuit Diagram (7 Of 8)
G07613840Courtesy of © TOYOTA, LICENSE AGREEMENT TMS1002
Fig 8: Multiplex Communication System - CAN - Circuit Diagram (8 Of 8)
G07613841Courtesy of © TOYOTA, LICENSE AGREEMENT TMS1002