lemon-mirror:
Home >> Lexus >> 2008 >> GS 450h >> Repair and Diagnosis >> Electrical >> Body Electrical >> OEM System Circuits >> Rear Window Defogger >> Notes

Rear Window Defogger: Notes

Fig 1: Rear Window Defogger - Circuit Diagram (1 Of 3)
G07614119Courtesy of © TOYOTA, LICENSE AGREEMENT TMS1002
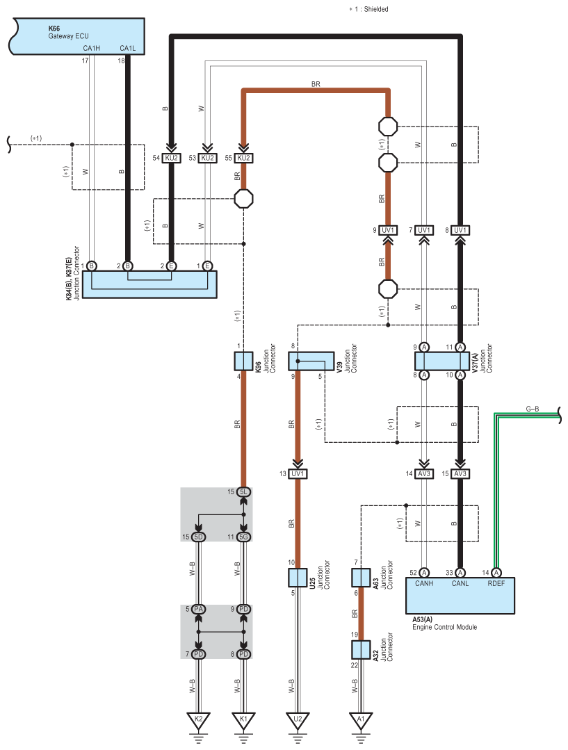
Fig 2: Rear Window Defogger - Circuit Diagram (2 Of 3)
G07614120Courtesy of © TOYOTA, LICENSE AGREEMENT TMS1002
Fig 3: Rear Window Defogger - Circuit Diagram (3 Of 3)
G07614121Courtesy of © TOYOTA, LICENSE AGREEMENT TMS1002