lemon-mirror:
Home >> Lexus >> 2008 >> GS 460 >> Repair and Diagnosis >> Engine Performance >> System >> Engine Control System (1UR-FSE) - Diagnostics - Introduction >> SFI System >> System Diagram

System Diagram

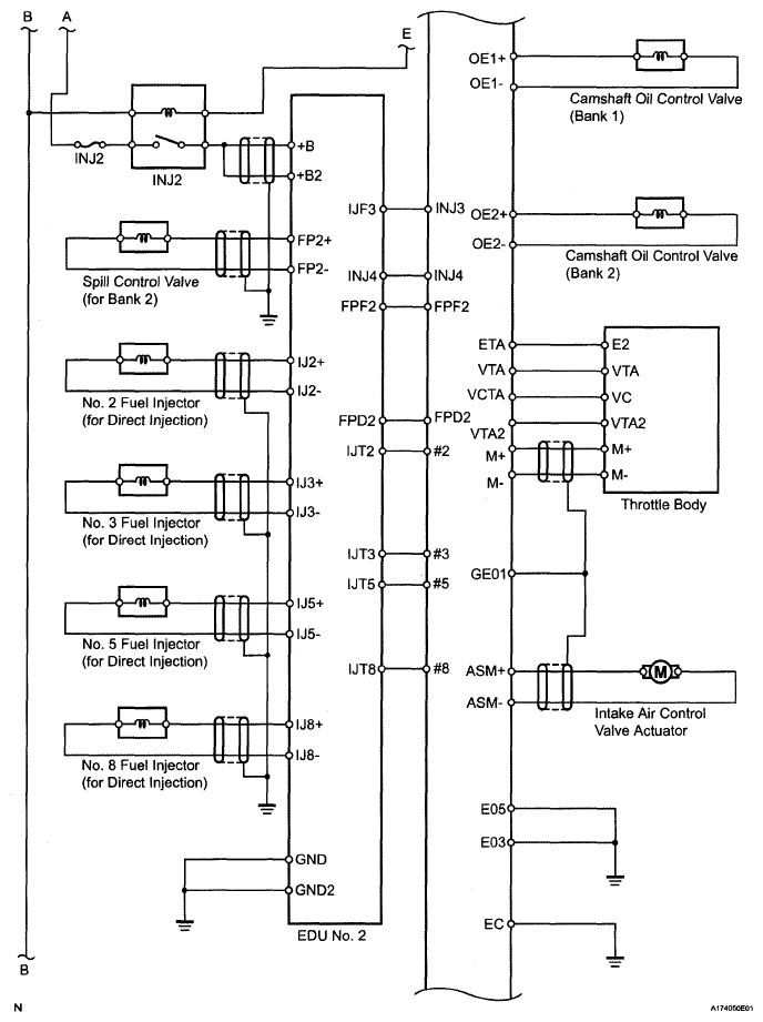
Fig 1: SFI System - System Diagram (1 Of 6)
G05803618Courtesy of © TOYOTA, LICENSE AGREEMENT TMS1002
Fig 2: SFI System - System Diagram (2 Of 6)
G05803619Courtesy of © TOYOTA, LICENSE AGREEMENT TMS1002
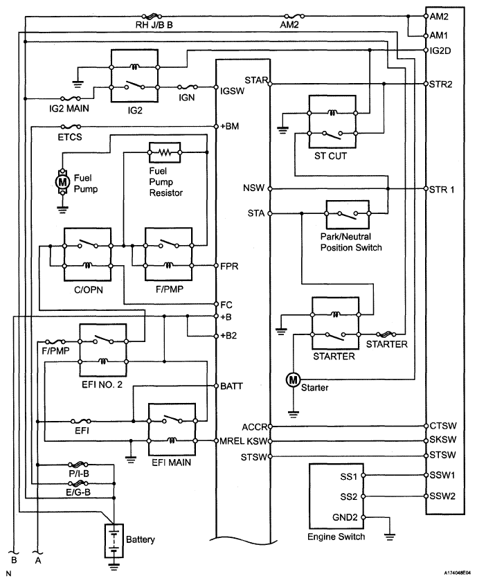
Fig 3: SFI System - System Diagram (3 Of 6)
G05803620Courtesy of © TOYOTA, LICENSE AGREEMENT TMS1002
Fig 4: SFI System - System Diagram (4 Of 6)
G05803621Courtesy of © TOYOTA, LICENSE AGREEMENT TMS1002
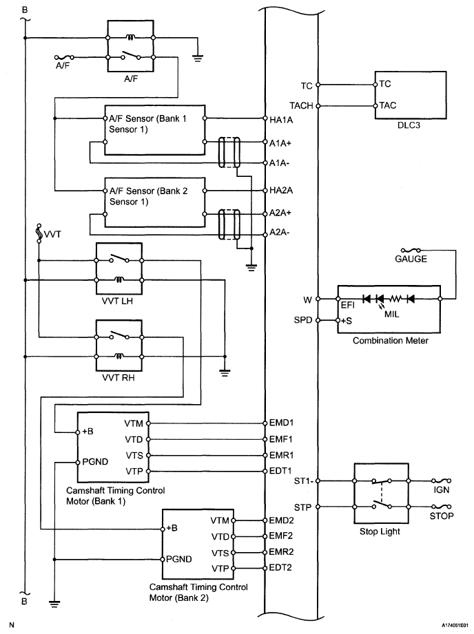
Fig 5: SFI System - System Diagram (5 Of 6)
G05803622Courtesy of © TOYOTA, LICENSE AGREEMENT TMS1002
Fig 6: SFI System - System Diagram (6 Of 6)
G05803623Courtesy of © TOYOTA, LICENSE AGREEMENT TMS1002