lemon-mirror:
Home >> Lexus >> 2008 >> GX 470 >> Repair and Diagnosis >> Electrical >> Body Electrical >> OEM System Circuits >> Audio System without LEXUS Navigation System >> Notes

Audio System without LEXUS Navigation System: Notes

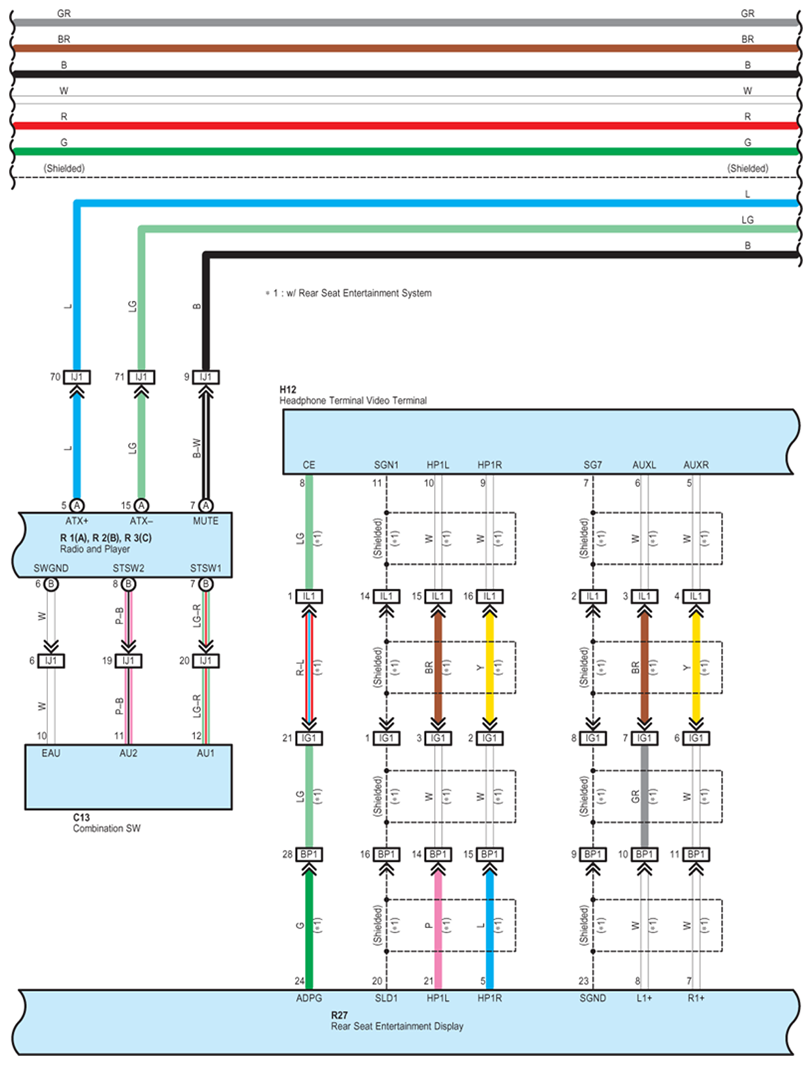
Fig 1: Audio System Without Lexus Navigation System - Circuit Diagram (1 Of 8)
G07613501Courtesy of © TOYOTA, LICENSE AGREEMENT TMS1002
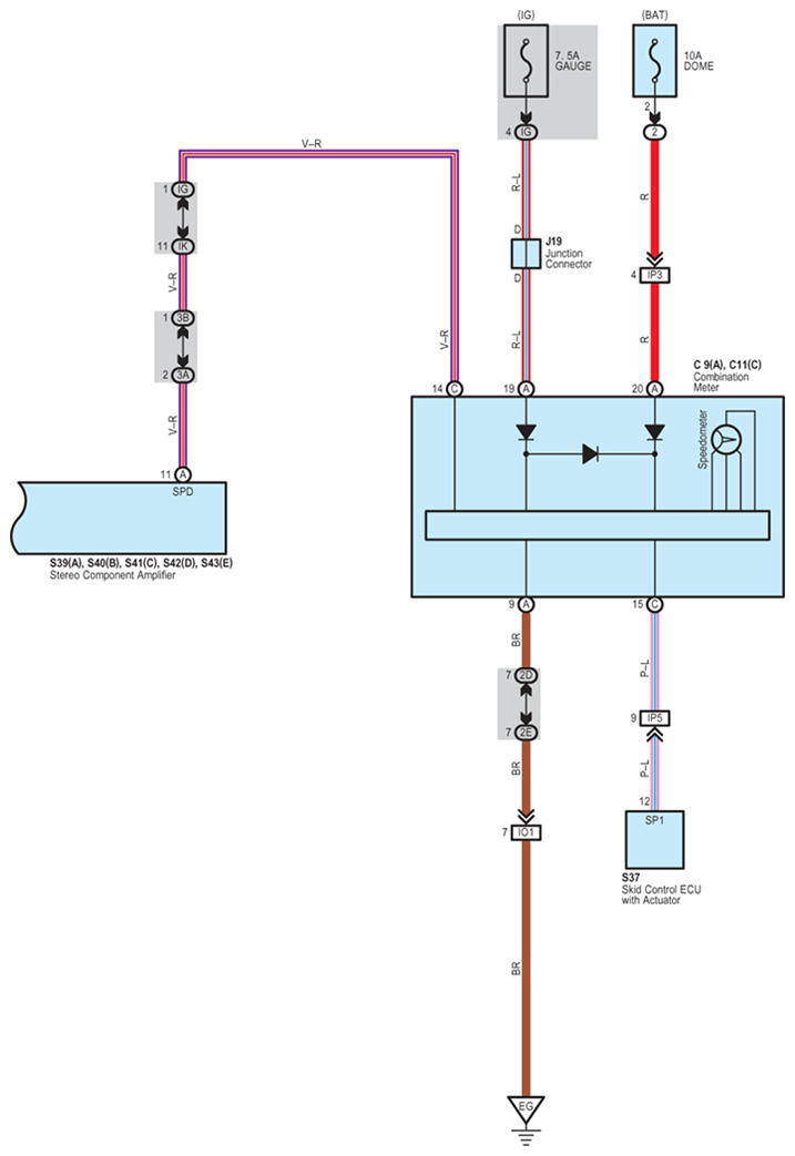
Fig 2: Audio System Without Lexus Navigation System - Circuit Diagram (2 Of 8)
G07613502Courtesy of © TOYOTA, LICENSE AGREEMENT TMS1002
Fig 3: Audio System Without Lexus Navigation System - Circuit Diagram (3 Of 8)
G07613503Courtesy of © TOYOTA, LICENSE AGREEMENT TMS1002
Fig 4: Audio System Without Lexus Navigation System - Circuit Diagram (4 Of 8)
G07613504Courtesy of © TOYOTA, LICENSE AGREEMENT TMS1002
Fig 5: Audio System Without Lexus Navigation System - Circuit Diagram (5 Of 8)
G07613505Courtesy of © TOYOTA, LICENSE AGREEMENT TMS1002
Fig 6: Audio System Without Lexus Navigation System - Circuit Diagram (6 Of 8)
G07613506Courtesy of © TOYOTA, LICENSE AGREEMENT TMS1002
Fig 7: Audio System Without Lexus Navigation System - Circuit Diagram (7 Of 8)
G07613507Courtesy of © TOYOTA, LICENSE AGREEMENT TMS1002
Fig 8: Audio System Without Lexus Navigation System - Circuit Diagram (8 Of 8)
G07613508Courtesy of © TOYOTA, LICENSE AGREEMENT TMS1002