lemon-mirror:
Home >> Lexus >> 2008 >> GX 470 >> Repair and Diagnosis >> Electrical >> Body Electrical >> OEM System Circuits >> Front Air Conditioning >> Notes

Front Air Conditioning: Notes

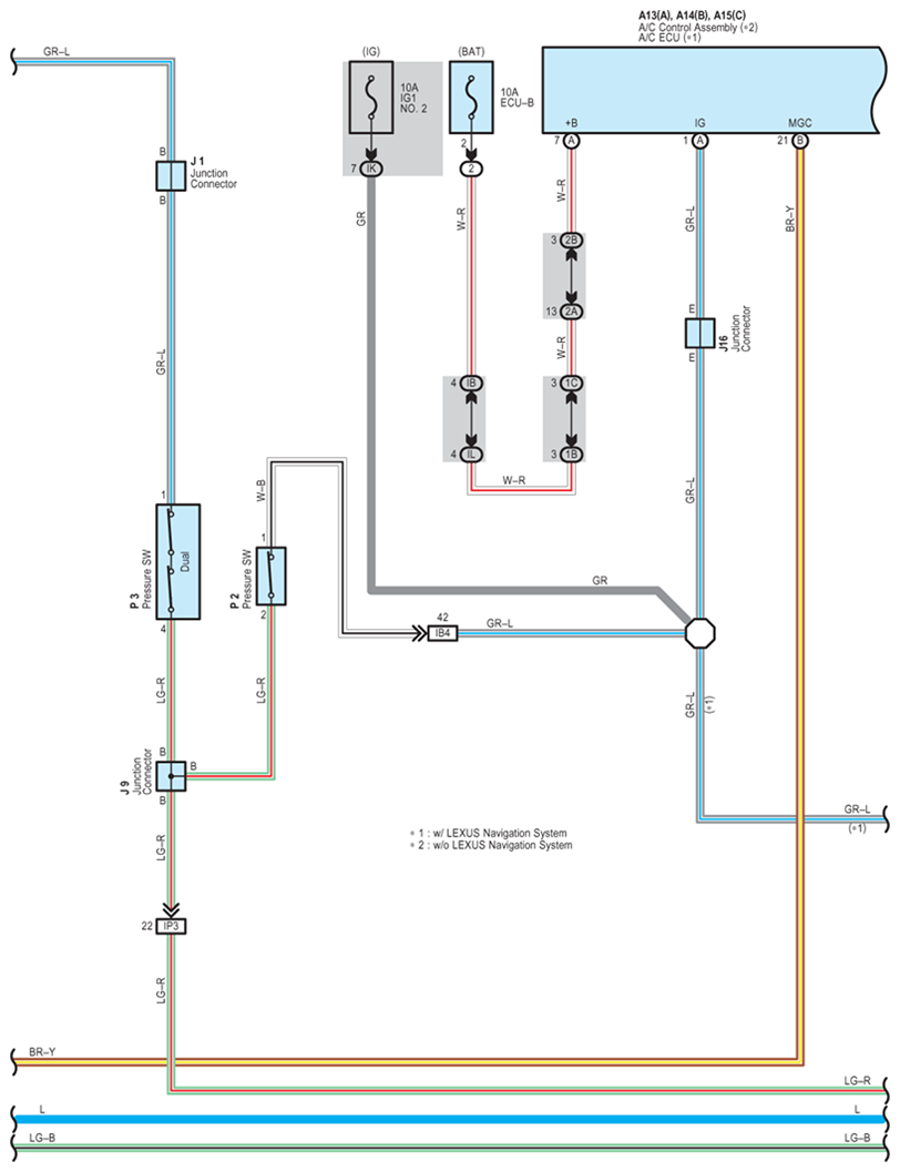
Fig 1: Front Air Conditioning - Circuit Diagram (1 Of 8)
G07613516Courtesy of © TOYOTA, LICENSE AGREEMENT TMS1002
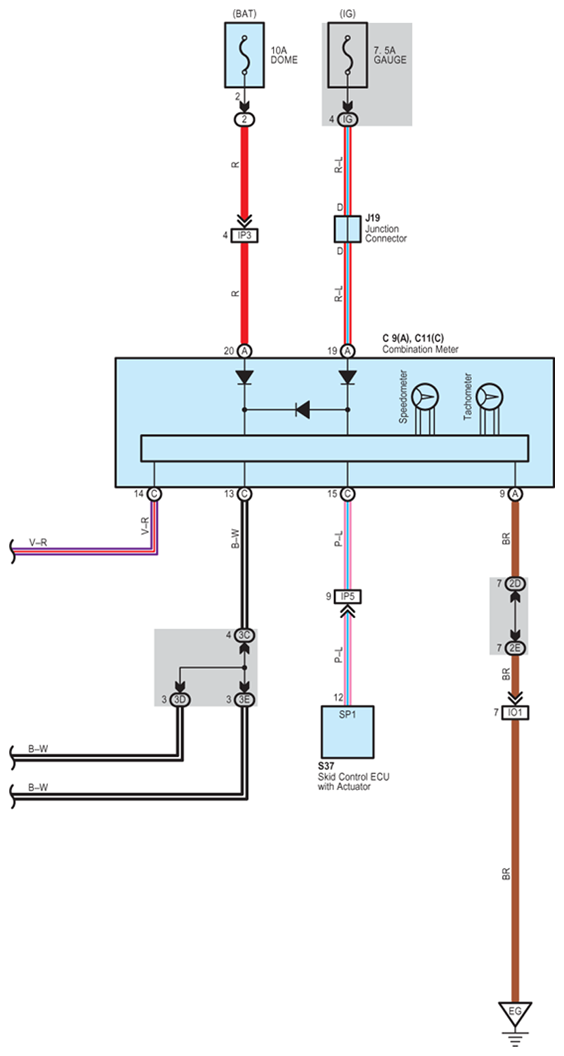
Fig 2: Front Air Conditioning - Circuit Diagram (2 Of 8)
G07613517Courtesy of © TOYOTA, LICENSE AGREEMENT TMS1002
Fig 3: Front Air Conditioning - Circuit Diagram (3 Of 8)
G07613518Courtesy of © TOYOTA, LICENSE AGREEMENT TMS1002
Fig 4: Front Air Conditioning - Circuit Diagram (4 Of 8)
G07613519Courtesy of © TOYOTA, LICENSE AGREEMENT TMS1002
Fig 5: Front Air Conditioning - Circuit Diagram (5 Of 8)
G07613520Courtesy of © TOYOTA, LICENSE AGREEMENT TMS1002
Fig 6: Front Air Conditioning - Circuit Diagram (6 Of 8)
G07613521Courtesy of © TOYOTA, LICENSE AGREEMENT TMS1002
Fig 7: Front Air Conditioning - Circuit Diagram (7 Of 8)
G07613522Courtesy of © TOYOTA, LICENSE AGREEMENT TMS1002
Fig 8: Front Air Conditioning - Circuit Diagram (8 Of 8)
G07613523Courtesy of © TOYOTA, LICENSE AGREEMENT TMS1002