lemon-mirror:
Home >> Lexus >> 2008 >> GX 470 >> Repair and Diagnosis >> Electrical >> Body Electrical >> OEM System Circuits >> Mirror Heater >> Notes

Mirror Heater: Notes

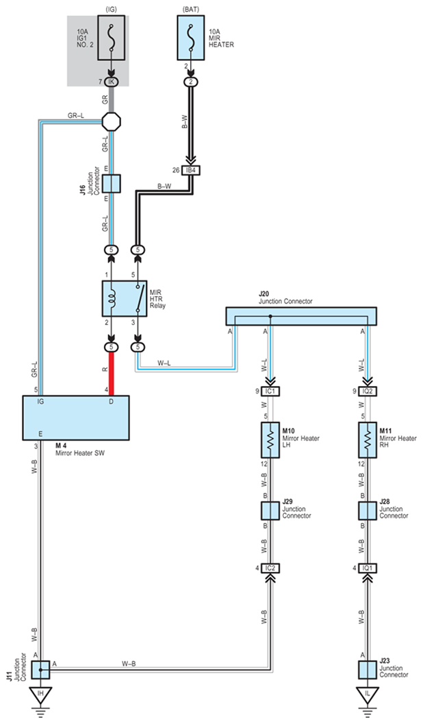
Fig 1: Mirror Heater - Circuit Diagram
G07613479Courtesy of © TOYOTA, LICENSE AGREEMENT TMS1002