lemon-mirror:
Home >> Lexus >> 2008 >> GX 470 >> Repair and Diagnosis >> Electrical >> Body Electrical >> OEM System Circuits >> Moon Roof >> Notes

Moon Roof: Notes

Fig 1: Moon Roof - Circuit Diagram (1 Of 3)
G07613455Courtesy of © TOYOTA, LICENSE AGREEMENT TMS1002
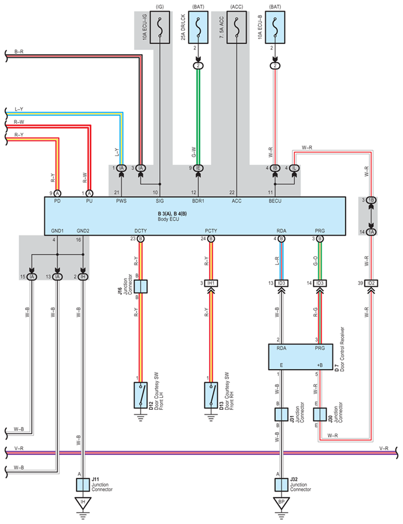
Fig 2: Moon Roof - Circuit Diagram (2 Of 3)
G07613456Courtesy of © TOYOTA, LICENSE AGREEMENT TMS1002
Fig 3: Moon Roof - Circuit Diagram (3 Of 3)
G07613457Courtesy of © TOYOTA, LICENSE AGREEMENT TMS1002