lemon-mirror:
Home >> Lexus >> 2008 >> GX 470 >> Repair and Diagnosis >> Transmission >> Automatic Trans >> Automatic Transaxle >> Valve Body >> Components

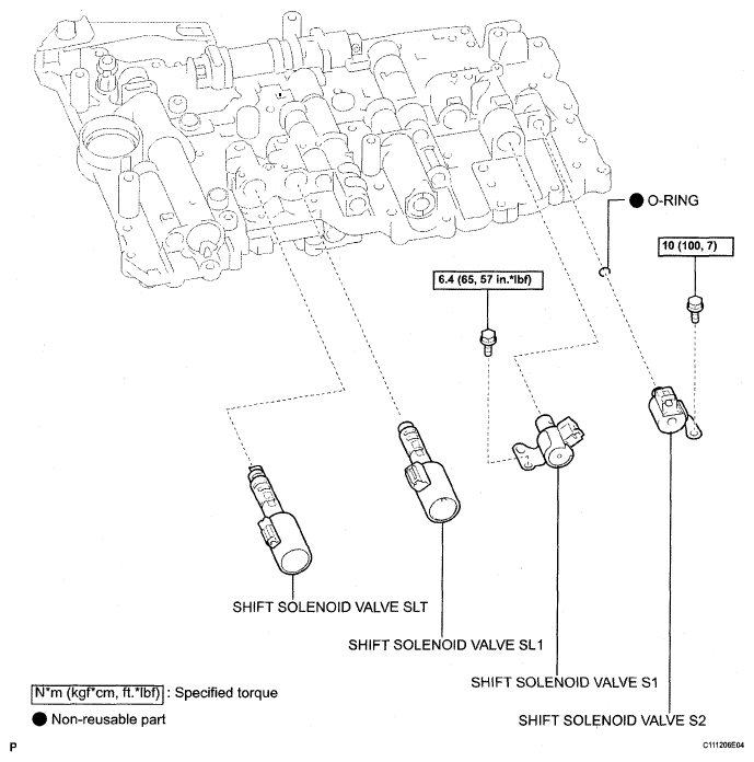
Valve Body: Components

Fig 1: Valve Body Replacement Components With Torque Specifications (1 Of 2)
G05844818Courtesy of © TOYOTA, LICENSE AGREEMENT TMS1002
Fig 2: Valve Body Replacement Components With Torque Specifications (2 Of 2)
G05261702Courtesy of © TOYOTA, LICENSE AGREEMENT TMS1002