lemon-mirror:
Home >> Lexus >> 2008 >> IS 350 >> Repair and Diagnosis >> Electrical >> Body Electrical >> OEM System Circuits >> 4WD >> Notes

OEM System Circuits: 4WD: Notes

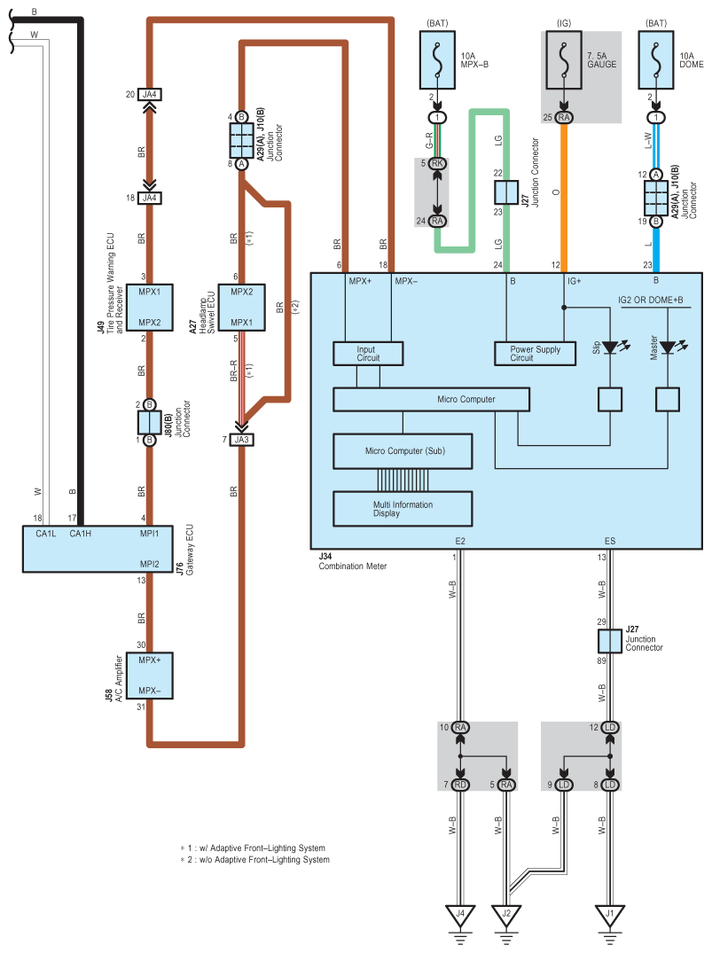
Fig 1: 4WD - Circuit Diagram (1 Of 3)
G07591844Courtesy of © TOYOTA, LICENSE AGREEMENT TMS1002
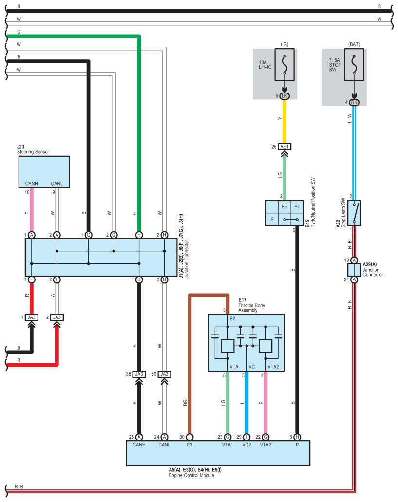
Fig 2: 4WD - Circuit Diagram (2 Of 3)
G07591845Courtesy of © TOYOTA, LICENSE AGREEMENT TMS1002
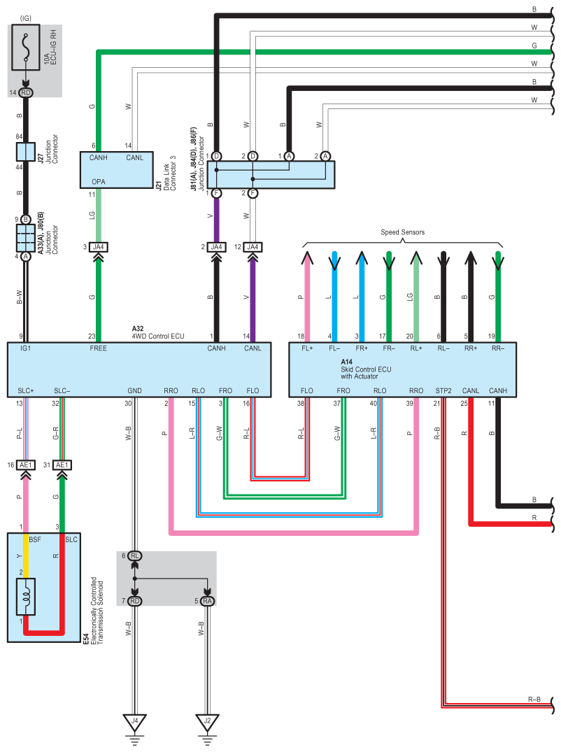
Fig 3: 4WD - Circuit Diagram (3 Of 3)
G07591846Courtesy of © TOYOTA, LICENSE AGREEMENT TMS1002