lemon-mirror:
Home >> Lexus >> 2008 >> IS 350 >> Repair and Diagnosis >> Electrical >> Body Electrical >> OEM System Circuits >> Automatic Light Control >> Notes

Automatic Light Control: Notes

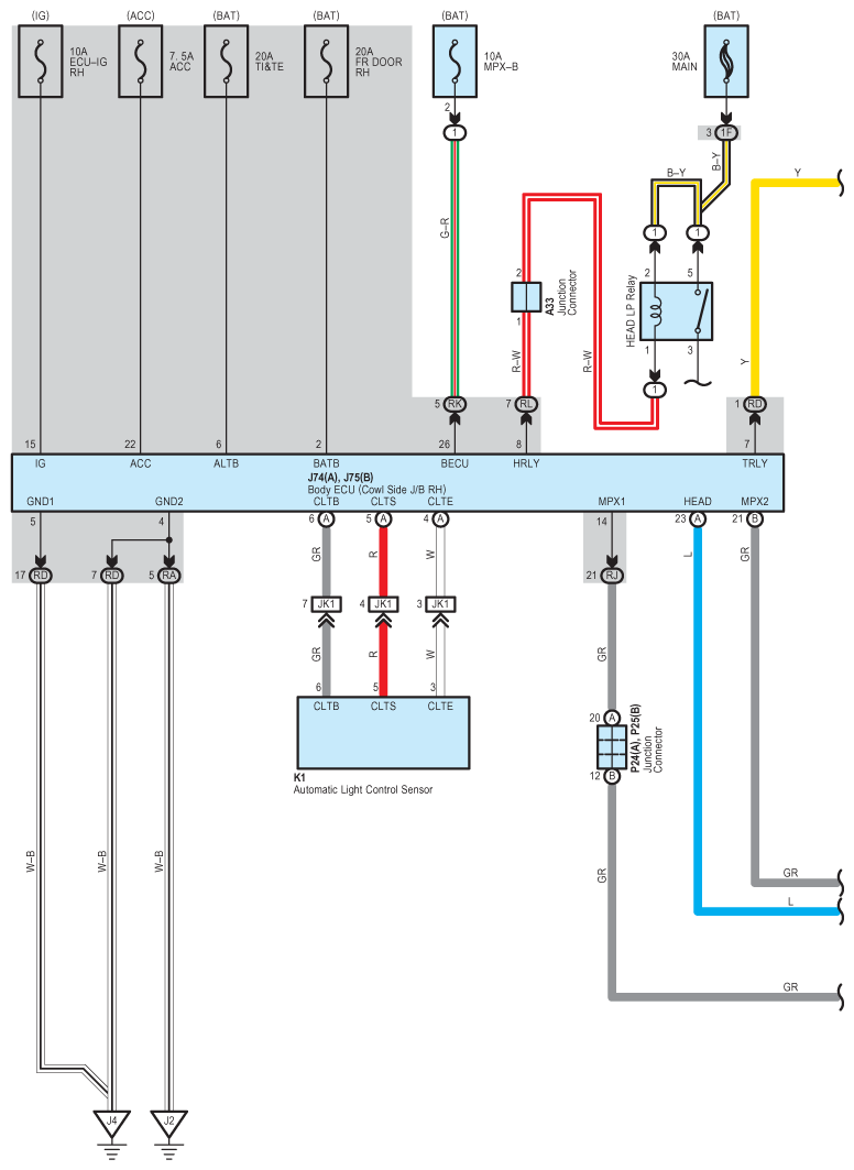
Fig 1: Automatic Light Control - Circuit Diagram (1 Of 4)
G07591712Courtesy of © TOYOTA, LICENSE AGREEMENT TMS1002
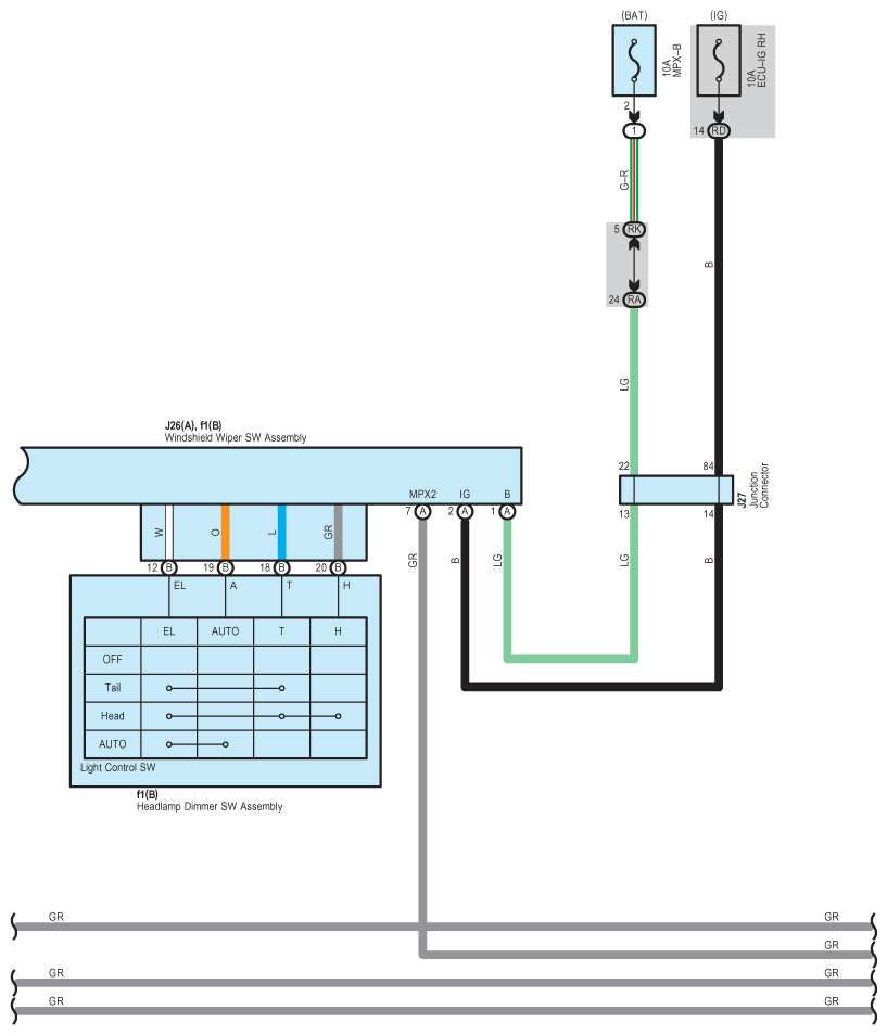
Fig 2: Automatic Light Control - Circuit Diagram (2 Of 4)
G07591713Courtesy of © TOYOTA, LICENSE AGREEMENT TMS1002
Fig 3: Automatic Light Control - Circuit Diagram (3 Of 4)
G07591714Courtesy of © TOYOTA, LICENSE AGREEMENT TMS1002
Fig 4: Automatic Light Control - Circuit Diagram (4 Of 4)
G07591715Courtesy of © TOYOTA, LICENSE AGREEMENT TMS1002