lemon-mirror:
Home >> Lexus >> 2008 >> IS 350 >> Repair and Diagnosis >> Electrical >> Body Electrical >> OEM System Circuits >> Door Lock Control >> Notes

Door Lock Control: Notes

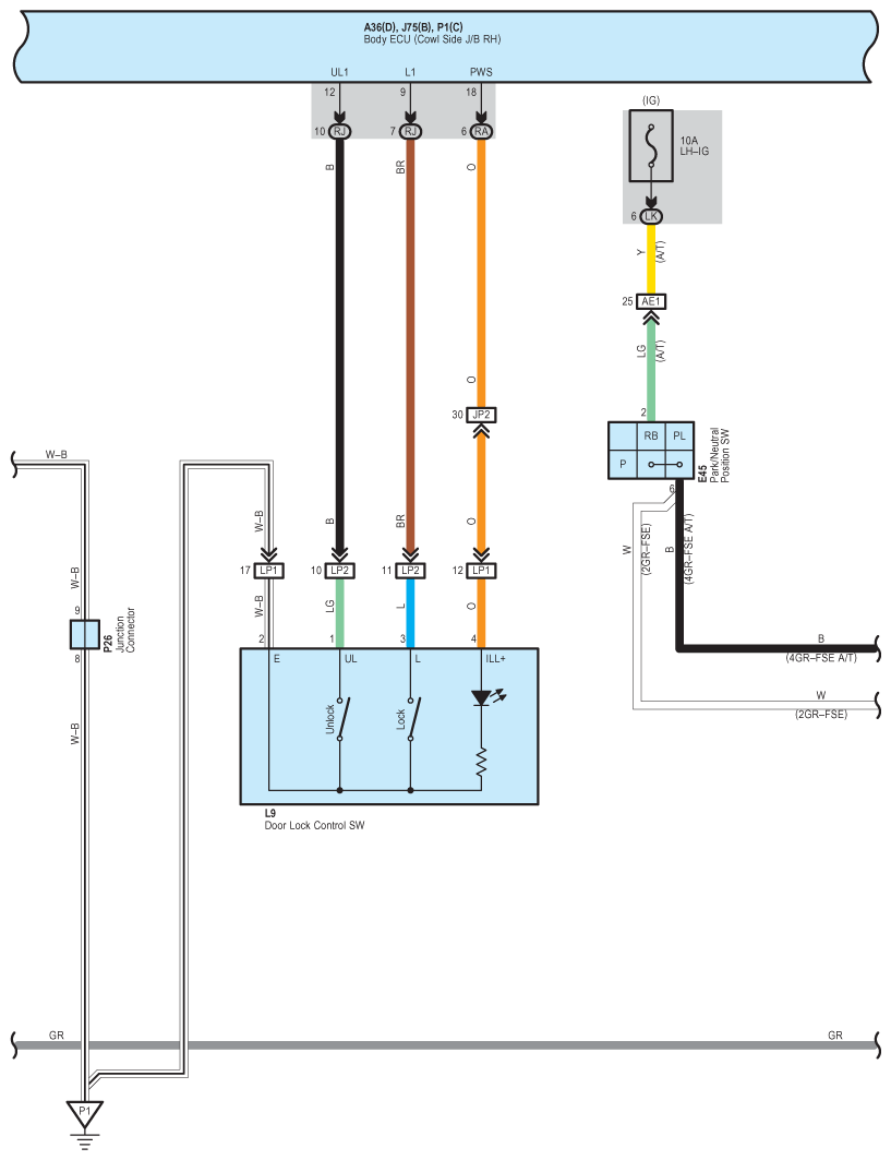
Fig 1: Door Lock Control - Circuit Diagram (1 Of 11)
G07591742Courtesy of © TOYOTA, LICENSE AGREEMENT TMS1002
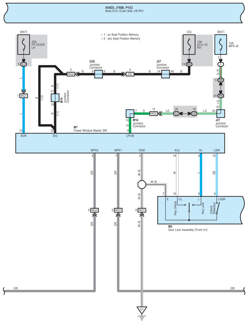
Fig 2: Door Lock Control - Circuit Diagram (2 Of 11)
G07591743Courtesy of © TOYOTA, LICENSE AGREEMENT TMS1002
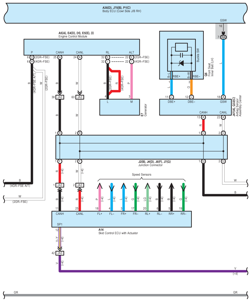
Fig 3: Door Lock Control - Circuit Diagram (3 Of 11)
G07591744Courtesy of © TOYOTA, LICENSE AGREEMENT TMS1002
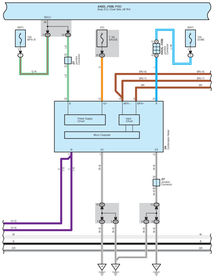
Fig 4: Door Lock Control - Circuit Diagram (4 Of 11)
G07591745Courtesy of © TOYOTA, LICENSE AGREEMENT TMS1002
Fig 5: Door Lock Control - Circuit Diagram (5 Of 11)
G07591746Courtesy of © TOYOTA, LICENSE AGREEMENT TMS1002
Fig 6: Door Lock Control - Circuit Diagram (6 Of 11)
G07591747Courtesy of © TOYOTA, LICENSE AGREEMENT TMS1002
Fig 7: Door Lock Control - Circuit Diagram (7 Of 11)
G07591748Courtesy of © TOYOTA, LICENSE AGREEMENT TMS1002
Fig 8: Door Lock Control - Circuit Diagram (8 Of 11)
G07591749Courtesy of © TOYOTA, LICENSE AGREEMENT TMS1002
Fig 9: Door Lock Control - Circuit Diagram (9 Of 11)
G07591750Courtesy of © TOYOTA, LICENSE AGREEMENT TMS1002
Fig 10: Door Lock Control - Circuit Diagram (10 Of 11)
G07591751Courtesy of © TOYOTA, LICENSE AGREEMENT TMS1002
Fig 11: Door Lock Control - Circuit Diagram (11 Of 11)
G07591752Courtesy of © TOYOTA, LICENSE AGREEMENT TMS1002