lemon-mirror:
Home >> Lexus >> 2008 >> IS 350 >> Repair and Diagnosis >> Electrical >> Body Electrical >> OEM System Circuits >> Dynamic Radar Cruise Control for 2GR-FSE >> Notes

Dynamic Radar Cruise Control for 2GR-FSE: Notes

Fig 1: Dynamic Radar Cruise Control For 2GR-FSE - Circuit Diagram (1 Of 15)
G07591785Courtesy of © TOYOTA, LICENSE AGREEMENT TMS1002
Fig 2: Dynamic Radar Cruise Control For 2GR-FSE - Circuit Diagram (2 Of 15)
G07591786Courtesy of © TOYOTA, LICENSE AGREEMENT TMS1002
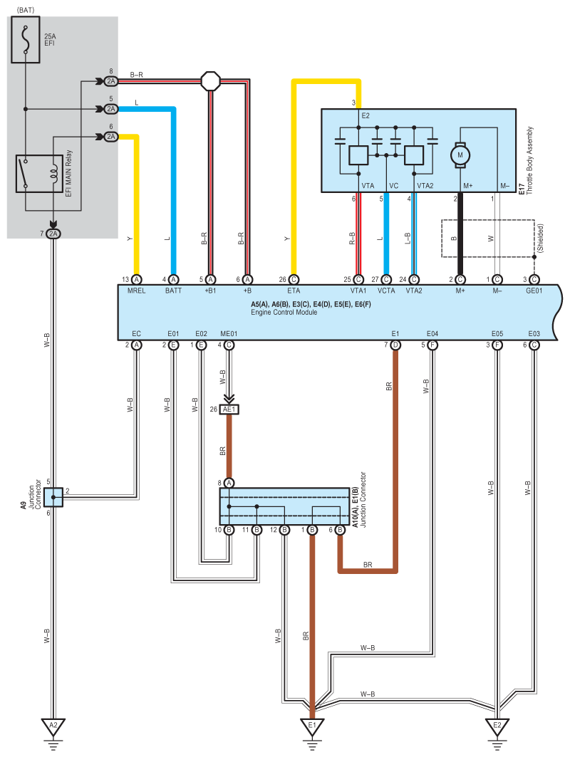
Fig 3: Dynamic Radar Cruise Control For 2GR-FSE - Circuit Diagram (3 Of 15)
G07591787Courtesy of © TOYOTA, LICENSE AGREEMENT TMS1002
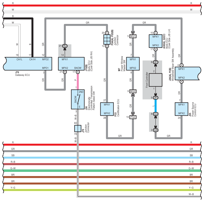
Fig 4: Dynamic Radar Cruise Control For 2GR-FSE - Circuit Diagram (4 Of 15)
G07591788Courtesy of © TOYOTA, LICENSE AGREEMENT TMS1002
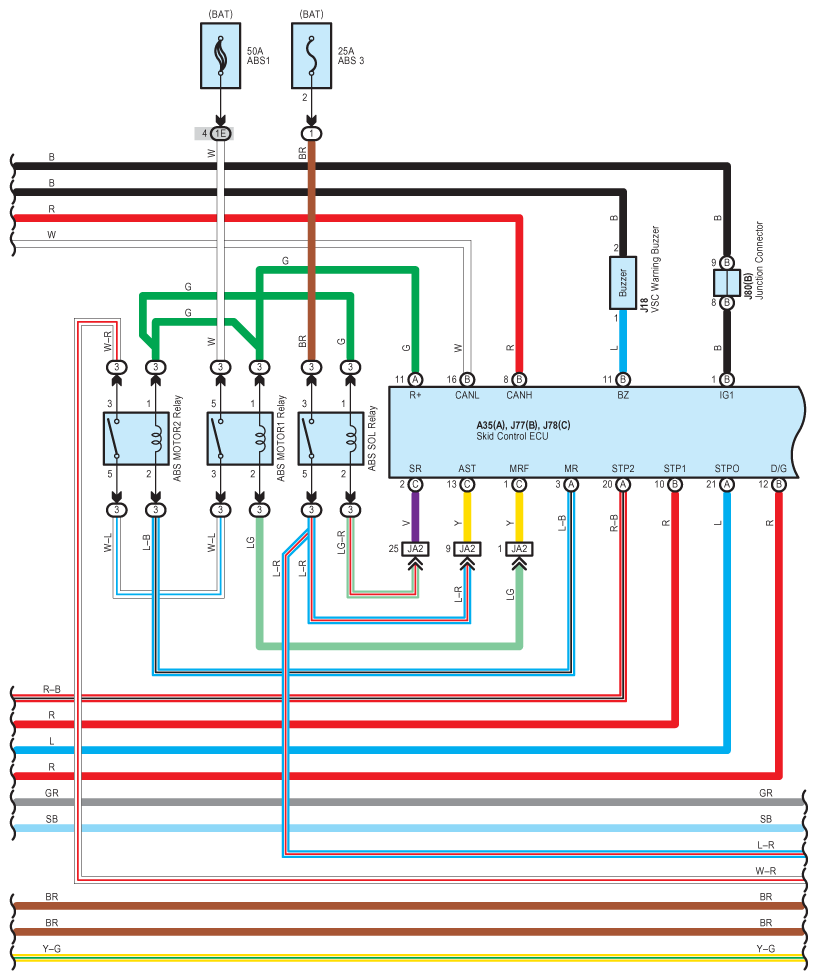
Fig 5: Dynamic Radar Cruise Control For 2GR-FSE - Circuit Diagram (5 Of 15)
G07591789Courtesy of © TOYOTA, LICENSE AGREEMENT TMS1002
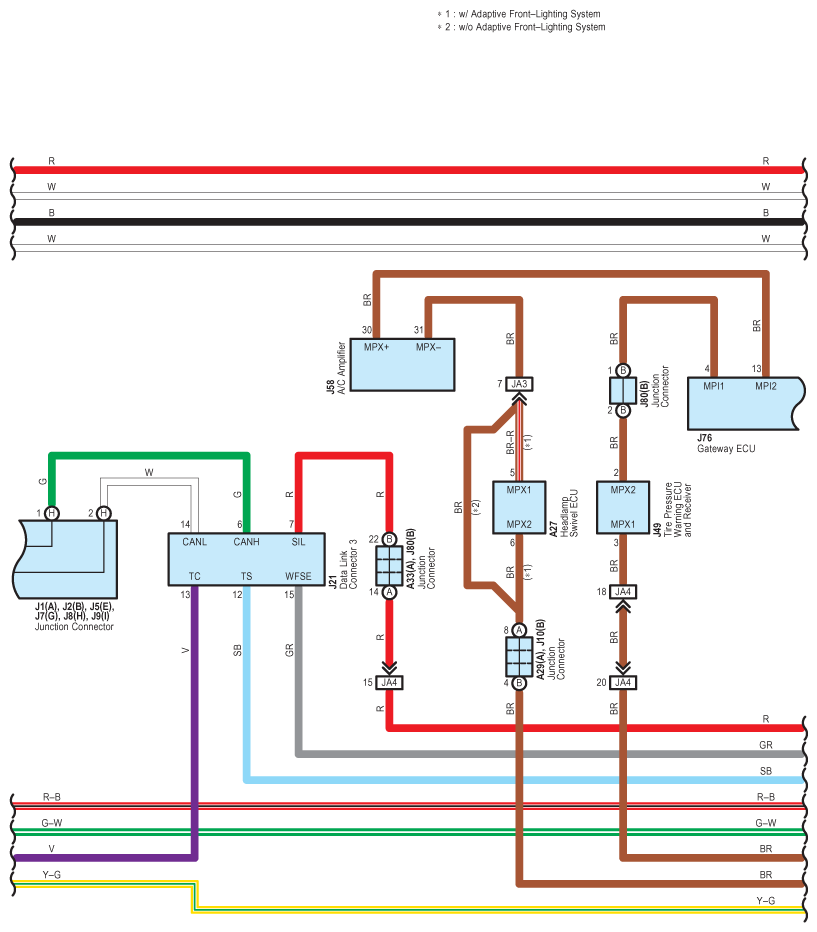
Fig 6: Dynamic Radar Cruise Control For 2GR-FSE - Circuit Diagram (6 Of 15)
G07591790Courtesy of © TOYOTA, LICENSE AGREEMENT TMS1002
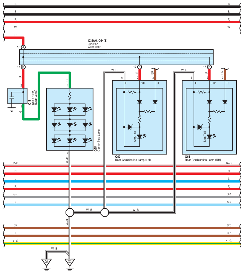
Fig 7: Dynamic Radar Cruise Control For 2GR-FSE - Circuit Diagram (7 Of 15)
G07591791Courtesy of © TOYOTA, LICENSE AGREEMENT TMS1002
Fig 8: Dynamic Radar Cruise Control For 2GR-FSE - Circuit Diagram (8 Of 15)
G07591792Courtesy of © TOYOTA, LICENSE AGREEMENT TMS1002
Fig 9: Dynamic Radar Cruise Control For 2GR-FSE - Circuit Diagram (9 Of 15)
G07591793Courtesy of © TOYOTA, LICENSE AGREEMENT TMS1002
Fig 10: Dynamic Radar Cruise Control For 2GR-FSE - Circuit Diagram (10 Of 15)
G07591794Courtesy of © TOYOTA, LICENSE AGREEMENT TMS1002
Fig 11: Dynamic Radar Cruise Control For 2GR-FSE - Circuit Diagram (11 Of 15)
G07591795Courtesy of © TOYOTA, LICENSE AGREEMENT TMS1002
Fig 12: Dynamic Radar Cruise Control For 2GR-FSE - Circuit Diagram (12 Of 15)
G07591796Courtesy of © TOYOTA, LICENSE AGREEMENT TMS1002
Fig 13: Dynamic Radar Cruise Control For 2GR-FSE - Circuit Diagram (13 Of 15)
G07591797Courtesy of © TOYOTA, LICENSE AGREEMENT TMS1002
Fig 14: Dynamic Radar Cruise Control For 2GR-FSE - Circuit Diagram (14 Of 15)
G07591798Courtesy of © TOYOTA, LICENSE AGREEMENT TMS1002
Fig 15: Dynamic Radar Cruise Control For 2GR-FSE - Circuit Diagram (15 Of 15)
G07591799Courtesy of © TOYOTA, LICENSE AGREEMENT TMS1002