lemon-mirror:
Home >> Lexus >> 2008 >> IS 350 >> Repair and Diagnosis >> Electrical >> Body Electrical >> OEM System Circuits >> Engine Control for 4GR-FSE >> Notes

Engine Control for 4GR-FSE: Notes

Fig 1: Engine Control For 4GR-FSE - Circuit Diagram (1 Of 17)
G07591640Courtesy of © TOYOTA, LICENSE AGREEMENT TMS1002
Fig 2: Engine Control For 4GR-FSE - Circuit Diagram (2 Of 17)
G07591641Courtesy of © TOYOTA, LICENSE AGREEMENT TMS1002
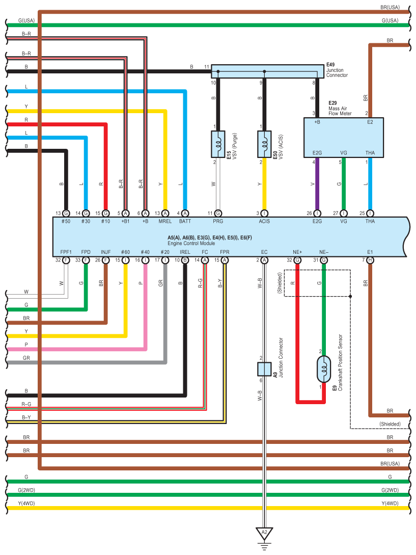
Fig 3: Engine Control For 4GR-FSE - Circuit Diagram (3 Of 17)
G07591642Courtesy of © TOYOTA, LICENSE AGREEMENT TMS1002
Fig 4: Engine Control For 4GR-FSE - Circuit Diagram (4 Of 17)
G07591643Courtesy of © TOYOTA, LICENSE AGREEMENT TMS1002
Fig 5: Engine Control For 4GR-FSE - Circuit Diagram (5 Of 17)
G07591644Courtesy of © TOYOTA, LICENSE AGREEMENT TMS1002
Fig 6: Engine Control For 4GR-FSE - Circuit Diagram (6 Of 17)
G07591645Courtesy of © TOYOTA, LICENSE AGREEMENT TMS1002
Fig 7: Engine Control For 4GR-FSE - Circuit Diagram (7 Of 17)
G07591646Courtesy of © TOYOTA, LICENSE AGREEMENT TMS1002
Fig 8: Engine Control For 4GR-FSE - Circuit Diagram (8 Of 17)
G07591647Courtesy of © TOYOTA, LICENSE AGREEMENT TMS1002
Fig 9: Engine Control For 4GR-FSE - Circuit Diagram (9 Of 17)
G07591648Courtesy of © TOYOTA, LICENSE AGREEMENT TMS1002
Fig 10: Engine Control For 4GR-FSE - Circuit Diagram (10 Of 17)
G07591649Courtesy of © TOYOTA, LICENSE AGREEMENT TMS1002
Fig 11: Engine Control For 4GR-FSE - Circuit Diagram (11 Of 17)
G07591650Courtesy of © TOYOTA, LICENSE AGREEMENT TMS1002
Fig 12: Engine Control For 4GR-FSE - Circuit Diagram (12 Of 17)
G07591651Courtesy of © TOYOTA, LICENSE AGREEMENT TMS1002
Fig 13: Engine Control For 4GR-FSE - Circuit Diagram (13 Of 17)
G07591652Courtesy of © TOYOTA, LICENSE AGREEMENT TMS1002
Fig 14: Engine Control For 4GR-FSE - Circuit Diagram (14 Of 17)
G07591653Courtesy of © TOYOTA, LICENSE AGREEMENT TMS1002
Fig 15: Engine Control For 4GR-FSE - Circuit Diagram (15 Of 17)
G07591654Courtesy of © TOYOTA, LICENSE AGREEMENT TMS1002
Fig 16: Engine Control For 4GR-FSE - Circuit Diagram (16 Of 17)
G07591655Courtesy of © TOYOTA, LICENSE AGREEMENT TMS1002
Fig 17: Engine Control For 4GR-FSE - Circuit Diagram (17 Of 17)
G07591656Courtesy of © TOYOTA, LICENSE AGREEMENT TMS1002