lemon-mirror:
Home >> Lexus >> 2008 >> IS 350 >> Repair and Diagnosis >> Electrical >> Body Electrical >> OEM System Circuits >> Remote Control Mirror with Memory >> Notes

Remote Control Mirror with Memory: Notes

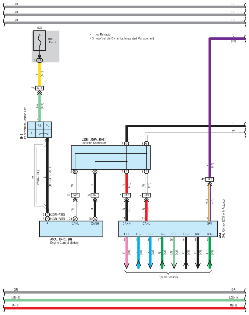
Fig 1: Remote Control Mirror With Memory - Circuit Diagram (1 Of 7)
G07591912Courtesy of © TOYOTA, LICENSE AGREEMENT TMS1002
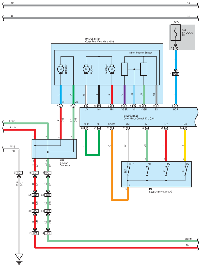
Fig 2: Remote Control Mirror With Memory - Circuit Diagram (2 Of 7)
G07591913Courtesy of © TOYOTA, LICENSE AGREEMENT TMS1002
Fig 3: Remote Control Mirror With Memory - Circuit Diagram (3 Of 7)
G07591914Courtesy of © TOYOTA, LICENSE AGREEMENT TMS1002
Fig 4: Remote Control Mirror With Memory - Circuit Diagram (4 Of 7)
G07591915Courtesy of © TOYOTA, LICENSE AGREEMENT TMS1002
Fig 5: Remote Control Mirror With Memory - Circuit Diagram (5 Of 7)
G07591916Courtesy of © TOYOTA, LICENSE AGREEMENT TMS1002
Fig 6: Remote Control Mirror With Memory - Circuit Diagram (6 Of 7)
G07591917Courtesy of © TOYOTA, LICENSE AGREEMENT TMS1002
Fig 7: Remote Control Mirror With Memory - Circuit Diagram (7 Of 7)
G07591918Courtesy of © TOYOTA, LICENSE AGREEMENT TMS1002