lemon-mirror:
Home >> Lexus >> 2008 >> IS F >> Repair and Diagnosis >> Electrical >> Body Electrical >> OEM System Circuits >> Dynamic Radar Cruise Control >> Notes

Dynamic Radar Cruise Control: Notes

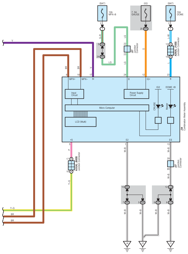
Fig 1: Dynamic Radar Cruise Control - Circuit Diagram (1 Of 20)
G07592331Courtesy of © TOYOTA, LICENSE AGREEMENT TMS1002
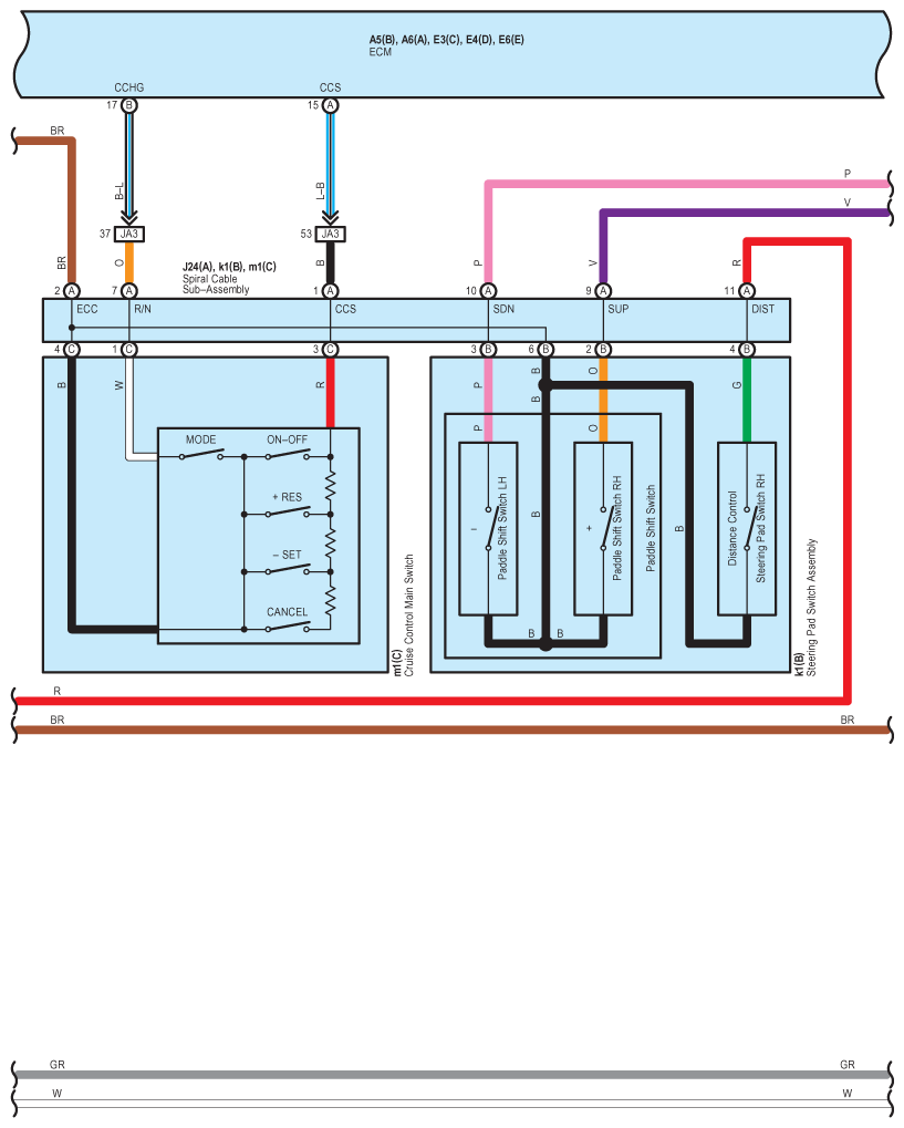
Fig 2: Dynamic Radar Cruise Control - Circuit Diagram (2 Of 20)
G07592332Courtesy of © TOYOTA, LICENSE AGREEMENT TMS1002
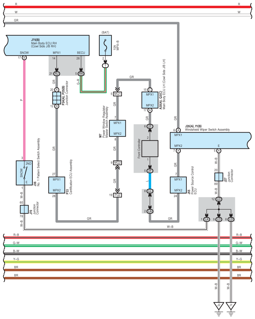
Fig 3: Dynamic Radar Cruise Control - Circuit Diagram (3 Of 20)
G07592333Courtesy of © TOYOTA, LICENSE AGREEMENT TMS1002
Fig 4: Dynamic Radar Cruise Control - Circuit Diagram (4 Of 20)
G07592334Courtesy of © TOYOTA, LICENSE AGREEMENT TMS1002
Fig 5: Dynamic Radar Cruise Control - Circuit Diagram (5 Of 20)
G07592335Courtesy of © TOYOTA, LICENSE AGREEMENT TMS1002
Fig 6: Dynamic Radar Cruise Control - Circuit Diagram (6 Of 20)
G07592336Courtesy of © TOYOTA, LICENSE AGREEMENT TMS1002
Fig 7: Dynamic Radar Cruise Control - Circuit Diagram (7 Of 20)
G07592337Courtesy of © TOYOTA, LICENSE AGREEMENT TMS1002
Fig 8: Dynamic Radar Cruise Control - Circuit Diagram (8 Of 20)
G07592338Courtesy of © TOYOTA, LICENSE AGREEMENT TMS1002
Fig 9: Dynamic Radar Cruise Control - Circuit Diagram (9 Of 20)
G07592339Courtesy of © TOYOTA, LICENSE AGREEMENT TMS1002
Fig 10: Dynamic Radar Cruise Control - Circuit Diagram (10 Of 20)
G07592340Courtesy of © TOYOTA, LICENSE AGREEMENT TMS1002
Fig 11: Dynamic Radar Cruise Control - Circuit Diagram (11 Of 20)
G07592341Courtesy of © TOYOTA, LICENSE AGREEMENT TMS1002
Fig 12: Dynamic Radar Cruise Control - Circuit Diagram (12 Of 20)
G07592342Courtesy of © TOYOTA, LICENSE AGREEMENT TMS1002
Fig 13: Dynamic Radar Cruise Control - Circuit Diagram (13 Of 20)
G07592343Courtesy of © TOYOTA, LICENSE AGREEMENT TMS1002
Fig 14: Dynamic Radar Cruise Control - Circuit Diagram (14 Of 20)
G07592344Courtesy of © TOYOTA, LICENSE AGREEMENT TMS1002
Fig 15: Dynamic Radar Cruise Control - Circuit Diagram (15 Of 20)
G07592345Courtesy of © TOYOTA, LICENSE AGREEMENT TMS1002
Fig 16: Dynamic Radar Cruise Control - Circuit Diagram (16 Of 20)
G07592346Courtesy of © TOYOTA, LICENSE AGREEMENT TMS1002
Fig 17: Dynamic Radar Cruise Control - Circuit Diagram (17 Of 20)
G07592347Courtesy of © TOYOTA, LICENSE AGREEMENT TMS1002
Fig 18: Dynamic Radar Cruise Control - Circuit Diagram (18 Of 20)
G07592348Courtesy of © TOYOTA, LICENSE AGREEMENT TMS1002
Fig 19: Dynamic Radar Cruise Control - Circuit Diagram (19 Of 20)
G07592349Courtesy of © TOYOTA, LICENSE AGREEMENT TMS1002
Fig 20: Dynamic Radar Cruise Control - Circuit Diagram (20 Of 20)
G07592350Courtesy of © TOYOTA, LICENSE AGREEMENT TMS1002