lemon-mirror:
Home >> Lexus >> 2008 >> IS F >> Repair and Diagnosis >> Electrical >> Body Electrical >> OEM System Circuits >> Engine Control, ECT and A/T Indicator >> Notes

Engine Control, ECT and A/T Indicator: Notes

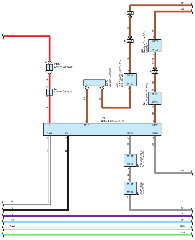
Fig 1: Engine Control, ECT And A/T Indicator - Circuit Diagram (1 Of 30)
G07592200Courtesy of © TOYOTA, LICENSE AGREEMENT TMS1002
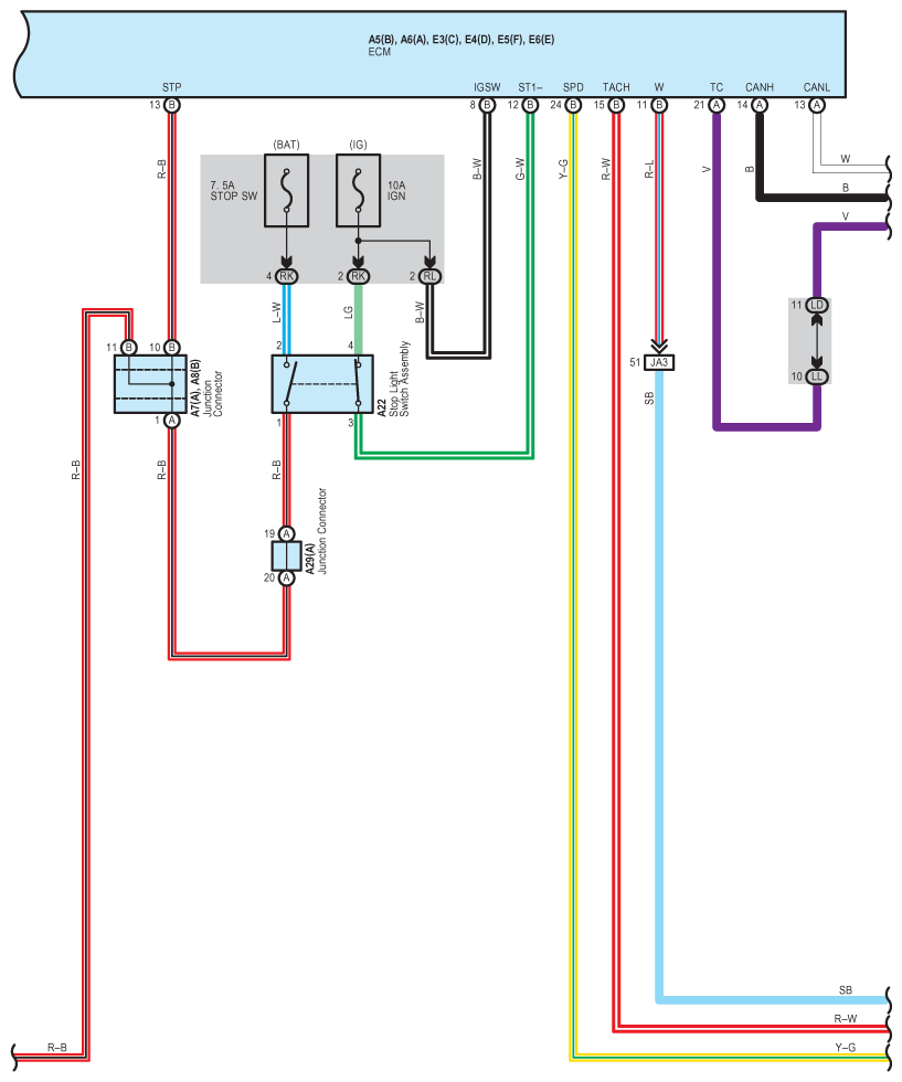
Fig 2: Engine Control, ECT And A/T Indicator - Circuit Diagram (2 Of 30)
G07592201Courtesy of © TOYOTA, LICENSE AGREEMENT TMS1002
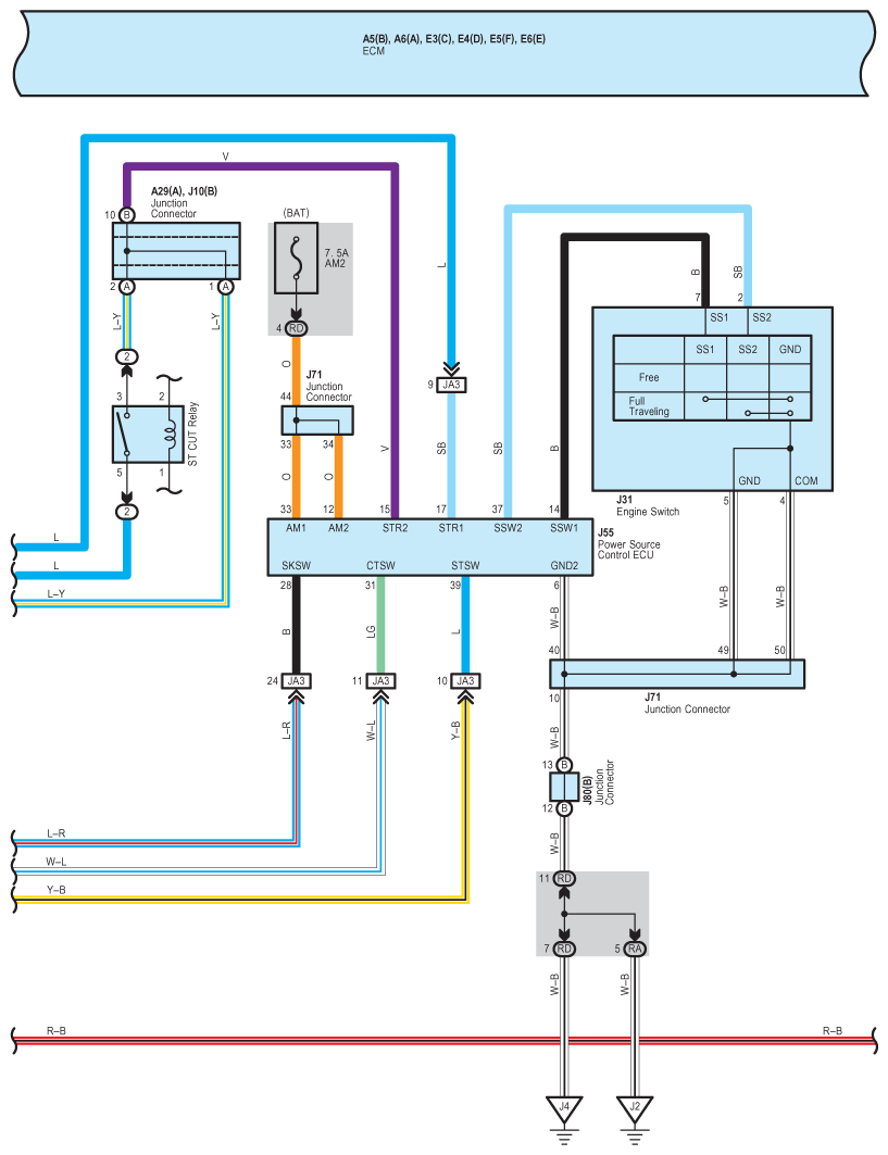
Fig 3: Engine Control, ECT And A/T Indicator - Circuit Diagram (3 Of 30)
G07592202Courtesy of © TOYOTA, LICENSE AGREEMENT TMS1002
Fig 4: Engine Control, ECT And A/T Indicator - Circuit Diagram (4 Of 30)
G07592203Courtesy of © TOYOTA, LICENSE AGREEMENT TMS1002
Fig 5: Engine Control, ECT And A/T Indicator - Circuit Diagram (5 Of 30)
G07592204Courtesy of © TOYOTA, LICENSE AGREEMENT TMS1002
Fig 6: Engine Control, ECT And A/T Indicator - Circuit Diagram (6 Of 30)
G07592205Courtesy of © TOYOTA, LICENSE AGREEMENT TMS1002
Fig 7: Engine Control, ECT And A/T Indicator - Circuit Diagram (7 Of 30)
G07592206Courtesy of © TOYOTA, LICENSE AGREEMENT TMS1002
Fig 8: Engine Control, ECT And A/T Indicator - Circuit Diagram (8 Of 30)
G07592207Courtesy of © TOYOTA, LICENSE AGREEMENT TMS1002
Fig 9: Engine Control, ECT And A/T Indicator - Circuit Diagram (9 Of 30)
G07592208Courtesy of © TOYOTA, LICENSE AGREEMENT TMS1002
Fig 10: Engine Control, ECT And A/T Indicator - Circuit Diagram (10 Of 30)
G07592209Courtesy of © TOYOTA, LICENSE AGREEMENT TMS1002
Fig 11: Engine Control, ECT And A/T Indicator - Circuit Diagram (11 Of 30)
G07592210Courtesy of © TOYOTA, LICENSE AGREEMENT TMS1002
Fig 12: Engine Control, ECT And A/T Indicator - Circuit Diagram (12 Of 30)
G07592211Courtesy of © TOYOTA, LICENSE AGREEMENT TMS1002
Fig 13: Engine Control, ECT And A/T Indicator - Circuit Diagram (13 Of 30)
G07592212Courtesy of © TOYOTA, LICENSE AGREEMENT TMS1002
Fig 14: Engine Control, ECT And A/T Indicator - Circuit Diagram (14 Of 30)
G07592213Courtesy of © TOYOTA, LICENSE AGREEMENT TMS1002
Fig 15: Engine Control, ECT And A/T Indicator - Circuit Diagram (15 Of 30)
G07592214Courtesy of © TOYOTA, LICENSE AGREEMENT TMS1002
Fig 16: Engine Control, ECT And A/T Indicator - Circuit Diagram (16 Of 30)
G07592215Courtesy of © TOYOTA, LICENSE AGREEMENT TMS1002
Fig 17: Engine Control, ECT And A/T Indicator - Circuit Diagram (17 Of 30)
G07592216Courtesy of © TOYOTA, LICENSE AGREEMENT TMS1002
Fig 18: Engine Control, ECT And A/T Indicator - Circuit Diagram (18 Of 30)
G07592217Courtesy of © TOYOTA, LICENSE AGREEMENT TMS1002
Fig 19: Engine Control, ECT And A/T Indicator - Circuit Diagram (19 Of 30)
G07592218Courtesy of © TOYOTA, LICENSE AGREEMENT TMS1002
Fig 20: Engine Control, ECT And A/T Indicator - Circuit Diagram (20 Of 30)
G07592219Courtesy of © TOYOTA, LICENSE AGREEMENT TMS1002
Fig 21: Engine Control, ECT And A/T Indicator - Circuit Diagram (21 Of 30)
G07592220Courtesy of © TOYOTA, LICENSE AGREEMENT TMS1002
Fig 22: Engine Control, ECT And A/T Indicator - Circuit Diagram (22 Of 30)
G07592221Courtesy of © TOYOTA, LICENSE AGREEMENT TMS1002
Fig 23: Engine Control, ECT And A/T Indicator - Circuit Diagram (23 Of 30)
G07592222Courtesy of © TOYOTA, LICENSE AGREEMENT TMS1002
Fig 24: Engine Control, ECT And A/T Indicator - Circuit Diagram (24 Of 30)
G07592223Courtesy of © TOYOTA, LICENSE AGREEMENT TMS1002
Fig 25: Engine Control, ECT And A/T Indicator - Circuit Diagram (25 Of 30)
G07592224Courtesy of © TOYOTA, LICENSE AGREEMENT TMS1002
Fig 26: Engine Control, ECT And A/T Indicator - Circuit Diagram (26 Of 30)
G07592225Courtesy of © TOYOTA, LICENSE AGREEMENT TMS1002
Fig 27: Engine Control, ECT And A/T Indicator - Circuit Diagram (27 Of 30)
G07592226Courtesy of © TOYOTA, LICENSE AGREEMENT TMS1002
Fig 28: Engine Control, ECT And A/T Indicator - Circuit Diagram (28 Of 30)
G07592227Courtesy of © TOYOTA, LICENSE AGREEMENT TMS1002
Fig 29: Engine Control, ECT And A/T Indicator - Circuit Diagram (29 Of 30)
G07592228Courtesy of © TOYOTA, LICENSE AGREEMENT TMS1002
Fig 30: Engine Control, ECT And A/T Indicator - Circuit Diagram (30 Of 30)
G07592229Courtesy of © TOYOTA, LICENSE AGREEMENT TMS1002