lemon-mirror:
Home >> Lexus >> 2008 >> IS F >> Repair and Diagnosis >> Electrical >> Body Electrical >> OEM System Circuits >> Seat Beat Warning >> Notes

Seat Beat Warning: Notes

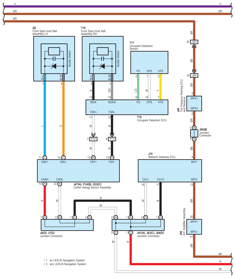
Fig 1: Seat Beat Warning - Circuit Diagram (1 Of 3)
G07592405Courtesy of © TOYOTA, LICENSE AGREEMENT TMS1002
Fig 2: Seat Beat Warning - Circuit Diagram (2 Of 3)
G07592406Courtesy of © TOYOTA, LICENSE AGREEMENT TMS1002
Fig 3: Seat Beat Warning - Circuit Diagram (3 Of 3)
G07592407Courtesy of © TOYOTA, LICENSE AGREEMENT TMS1002