lemon-mirror:
Home >> Lexus >> 2008 >> IS F >> Repair and Diagnosis >> Engine Performance >> Engine Control Systems >> Engine Control System - System & Component Testing, R & I >> Integration Relay >> Inspection

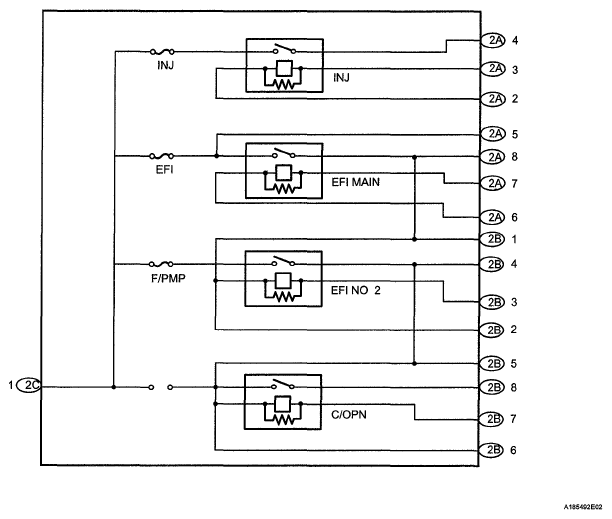
Integration Relay: Inspection

  1. INSPECT INTEGRATION RELAY 
    Fig 1: Integration Relay - Circuit Diagram
    G05752008Courtesy of © TOYOTA, LICENSE AGREEMENT TMS1002
    1. EFI MAIN relay.
      1. Measure the resistance according to the value(s) in the table below
        Fig 2: Identifying EFI Main Relay Terminal
        G05752009Courtesy of © TOYOTA, LICENSE AGREEMENT TMS1002

        Standard Resistance 

        TESTER CONNECTION SPECIFIED CONDITION CHART

        Tester Connection Condition Specified Condition
        Integration relay (2C-1) - Integration relay (2A-8) No battery voltage is applied across terminals 2A-6 and 2A-7 10 kΩ or higher
        Integration relay (2C-1) - Integration relay (2A-8) Battery voltage is applied across terminals 2A-6 and 2A-7 Below 1 Ω

        If the resistance is not as specified, replace the integration relay

    2. EFI No. 2 relay:
      1. Measure the resistance according to the value(s) in the table below.
        Fig 3: Identifying EFI No. 2 Relay Terminal
        G05752009Courtesy of © TOYOTA, LICENSE AGREEMENT TMS1002

        Standard Resistance 

        TESTER CONNECTION SPECIFIED CONDITION CHART

        Tester Connection Condition Specified Condition
        Integration relay (2C-1) - Integration relay (2B-4) No battery voltage is applied across terminals 2B-2 and 2B-3 10 kΩ or higher
        Integration relay (1C-1) - Integration relay (2B-4) Battery voltage is applied across terminals 2B-2 and 2B-3 Below 1 Ω

        If the resistance is not as specified, replace the integration relay.

    3. INJ relay:
      1. Measure the resistance according to the value(s) in the table below.
        Fig 4: Identifying INJ Relay Terminal
        G05752009Courtesy of © TOYOTA, LICENSE AGREEMENT TMS1002

        Standard Resistance 

        TESTER CONNECTION SPECIFIED CONDITION CHART

        Tester Connection Condition Specified Condition
        Integration relay (2C-1) - Integration relay (2A-4) No battery voltage is applied across terminals 2A-2 and 2A-3 10 kΩ or higher
        Integration relay (2C-1) - Integration relay (2A-4) Battery voltage is applied across terminals 2A-2 and 2A-3 Below 1 Ω

        If the resistance is not as specified, replace the integration relay.

    4. C/OPN relay.
      1. Measure the resistance according to the value(s) in the table below.
        Fig 5: Identifying C/OPN Relay Terminal
        G05752009Courtesy of © TOYOTA, LICENSE AGREEMENT TMS1002

        Standard Resistance 

        TESTER CONNECTION SPECIFIED CONDITION CHART

        Tester Connection Condition Specified Condition
        Integration relay (2B-5) - Integration relay (2B-8) No battery voltage is applied across terminals 2B-6 and 2B-7. 10 kΩ or higher
        Integration relay (2B-5) - Integration relay (2B-8) Battery voltage is applied across terminals 2B-6 and 2B-7 Below 1 Ω

        If the resistance is not as specified, replace the integration relay.