lemon-mirror:
Home >> Lexus >> 2008 >> LS 460 >> Repair and Diagnosis >> Electrical >> Body Electrical >> OEM System Circuits >> Headlight Cleaner >> Notes

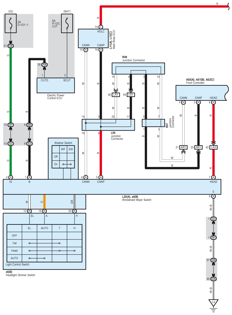
Headlight Cleaner: Notes

Fig 1: Headlight Cleaner - Circuit Diagram (1 Of 2)
G07598215Courtesy of © TOYOTA, LICENSE AGREEMENT TMS1002
Fig 2: Headlight Cleaner - Circuit Diagram (2 Of 2)
G07598216Courtesy of © TOYOTA, LICENSE AGREEMENT TMS1002