lemon-mirror:
Home >> Lexus >> 2008 >> LS 460 >> Repair and Diagnosis >> Electrical >> Body Electrical >> OEM System Circuits >> Stop Light >> Notes

Stop Light: Notes

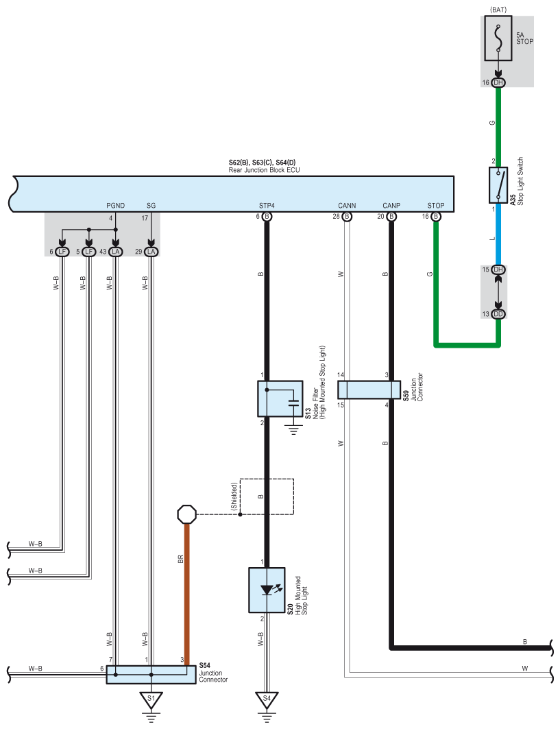
Fig 1: Stop Light - Circuit Diagram (1 Of 3)
G07598197Courtesy of © TOYOTA, LICENSE AGREEMENT TMS1002
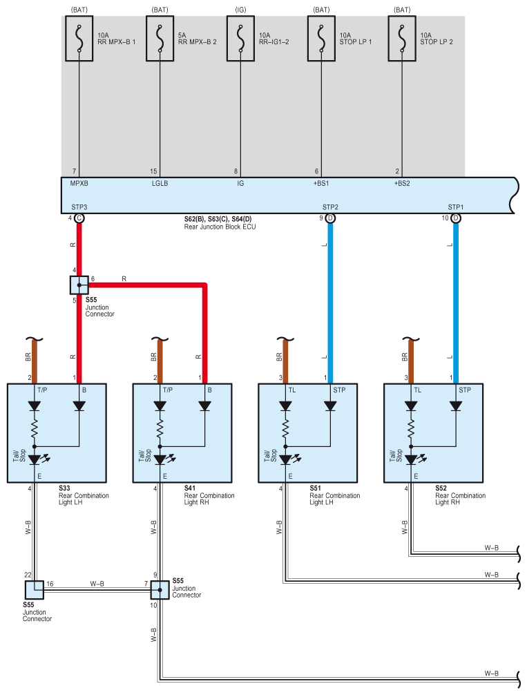
Fig 2: Stop Light - Circuit Diagram (2 Of 3)
G07598198Courtesy of © TOYOTA, LICENSE AGREEMENT TMS1002
Fig 3: Stop Light - Circuit Diagram (3 Of 3)
G07598199Courtesy of © TOYOTA, LICENSE AGREEMENT TMS1002