lemon-mirror:
Home >> Lexus >> 2008 >> LS 460 >> Repair and Diagnosis >> Engine Mechanical >> Mechanical >> Intake >> Intake System >> System Diagram

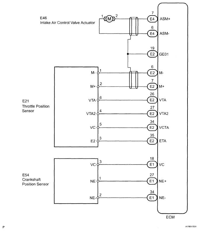
System Diagram

Fig 1: Intake System Diagram (1 Of 2)
G04948126Courtesy of © TOYOTA, LICENSE AGREEMENT TMS1002
Fig 2: Intake System Diagram (2 Of 2)
G05854248Courtesy of © TOYOTA, LICENSE AGREEMENT TMS1002