lemon-mirror:
Home >> Lexus >> 2008 >> LS 460L >> Repair and Diagnosis >> Electrical >> Body Electrical >> OEM Ground Points >> Ground Point >> Notes

Ground Point: Notes

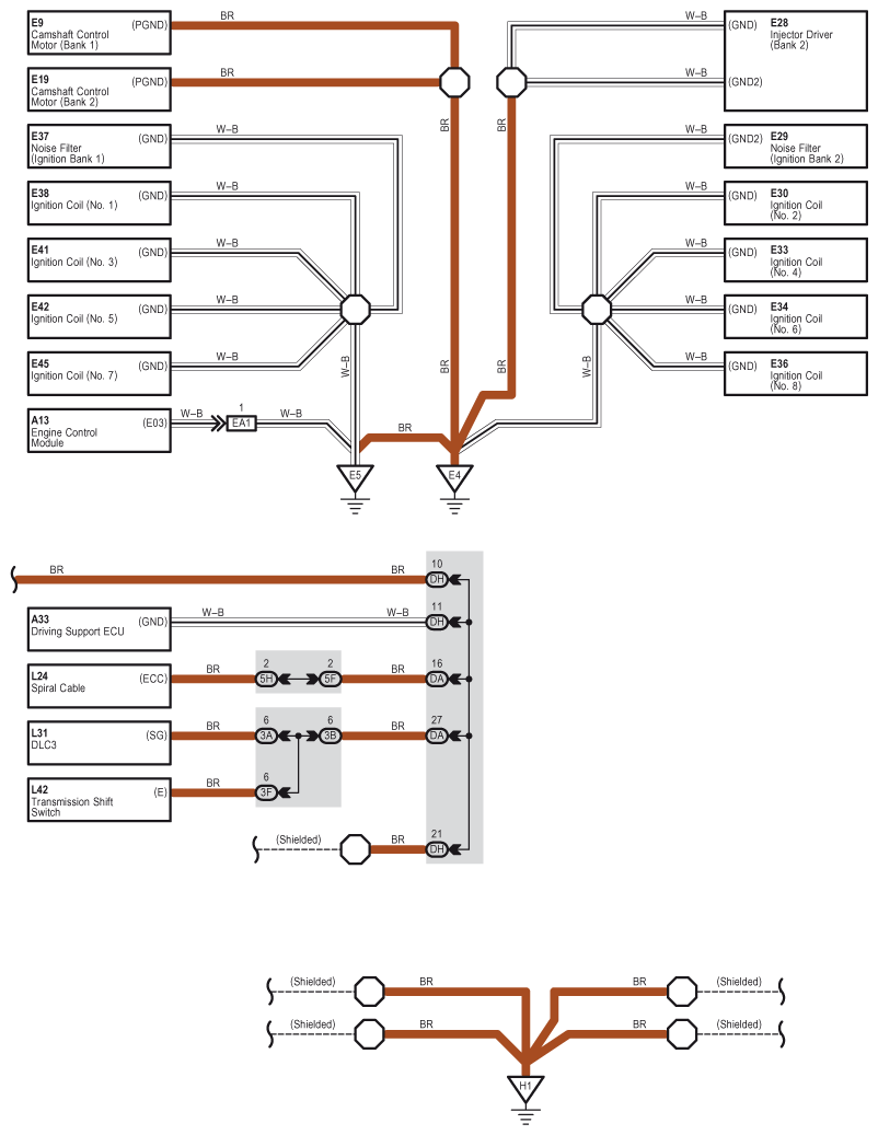
Fig 1: Ground Point - Wiring Diagram (1 Of 10)
G07598553Courtesy of © TOYOTA, LICENSE AGREEMENT TMS1002
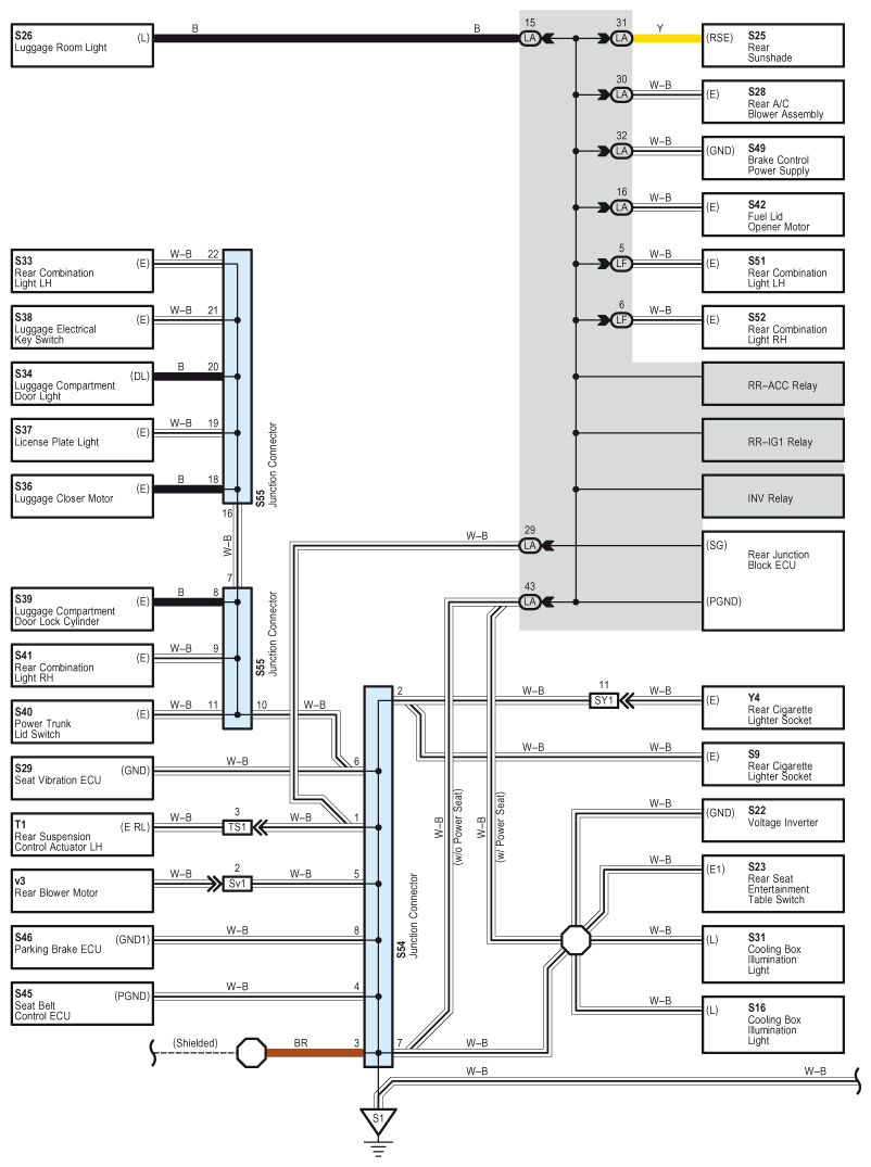
Fig 2: Ground Point - Wiring Diagram (2 Of 10)
G07598554Courtesy of © TOYOTA, LICENSE AGREEMENT TMS1002
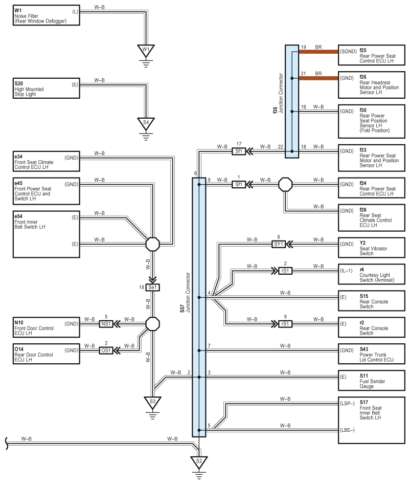
Fig 3: Ground Point - Wiring Diagram (3 Of 10)
G07598555Courtesy of © TOYOTA, LICENSE AGREEMENT TMS1002
Fig 4: Ground Point - Wiring Diagram (4 Of 10)
G07598556Courtesy of © TOYOTA, LICENSE AGREEMENT TMS1002
Fig 5: Ground Point - Wiring Diagram (5 Of 10)
G07598557Courtesy of © TOYOTA, LICENSE AGREEMENT TMS1002
Fig 6: Ground Point - Wiring Diagram (6 Of 10)
G07598558Courtesy of © TOYOTA, LICENSE AGREEMENT TMS1002
Fig 7: Ground Point - Wiring Diagram (7 Of 10)
G07598559Courtesy of © TOYOTA, LICENSE AGREEMENT TMS1002
Fig 8: Ground Point - Wiring Diagram (8 Of 10)
G07598560Courtesy of © TOYOTA, LICENSE AGREEMENT TMS1002
Fig 9: Ground Point - Wiring Diagram (9 Of 10)
G07598561Courtesy of © TOYOTA, LICENSE AGREEMENT TMS1002
Fig 10: Ground Point - Wiring Diagram (10 Of 10)
G07598562Courtesy of © TOYOTA, LICENSE AGREEMENT TMS1002