lemon-mirror:
Home >> Lexus >> 2008 >> LS 460L >> Repair and Diagnosis >> Electrical >> Body Electrical >> OEM System Circuits >> Fuel Lid Opener >> Notes

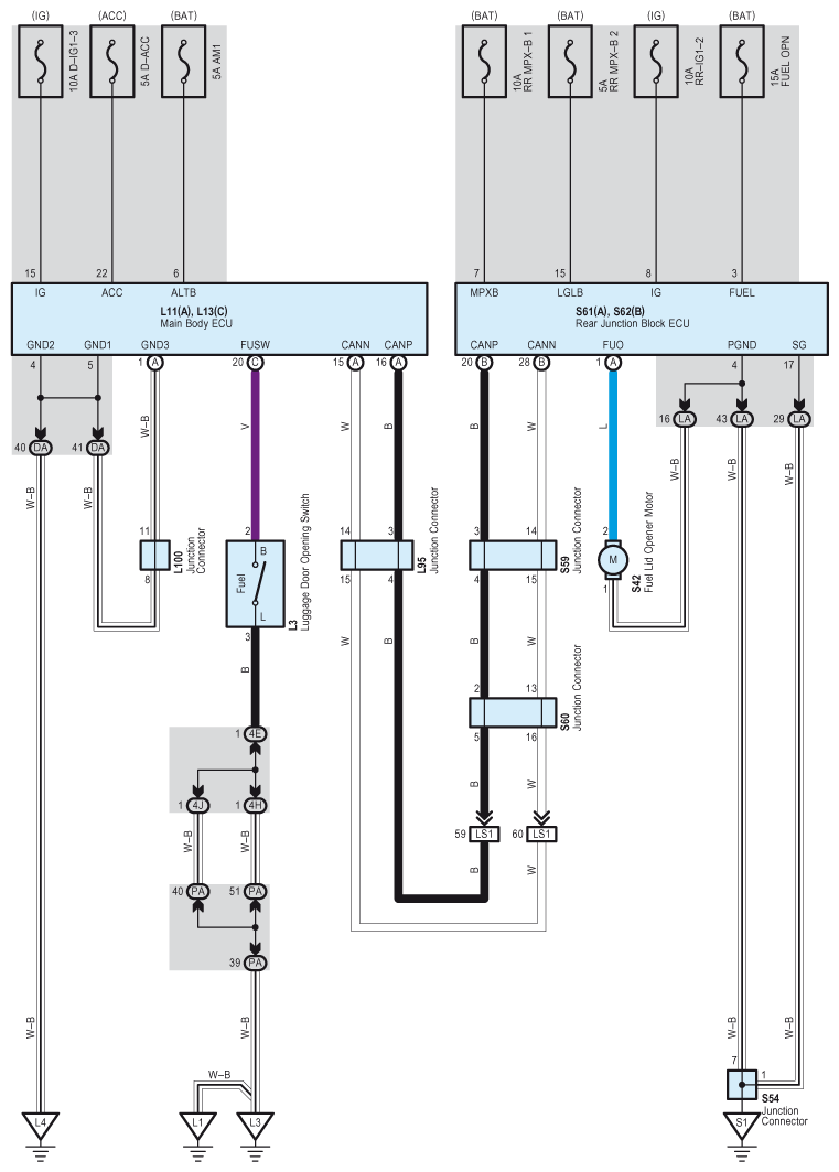
Fuel Lid Opener: Notes

Fig 1: Fuel Lid Opener - Circuit Diagram
G07598383Courtesy of © TOYOTA, LICENSE AGREEMENT TMS1002