lemon-mirror:
Home >> Lexus >> 2008 >> LS 460L >> Repair and Diagnosis >> Electrical >> Body Electrical >> OEM System Circuits >> Multiplex Communication System - CAN >> Notes

Multiplex Communication System - CAN: Notes

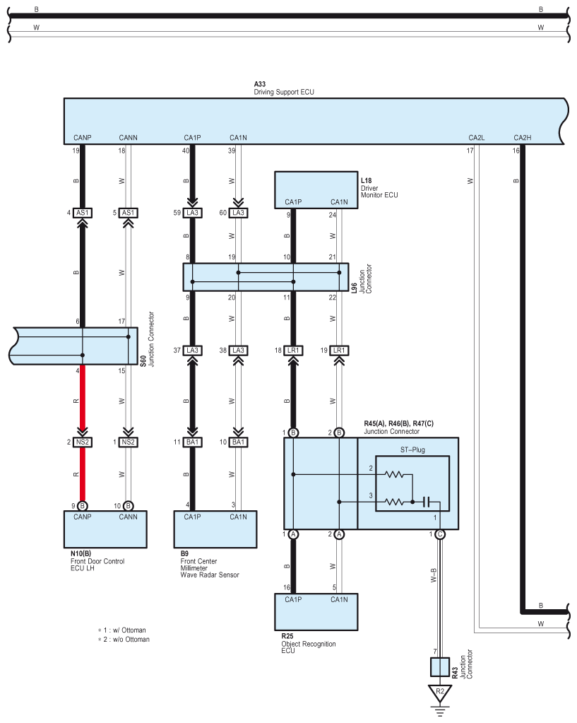
Fig 1: Multiplex Communication System - CAN - Circuit Diagram (1 Of 10)
G07598145Courtesy of © TOYOTA, LICENSE AGREEMENT TMS1002
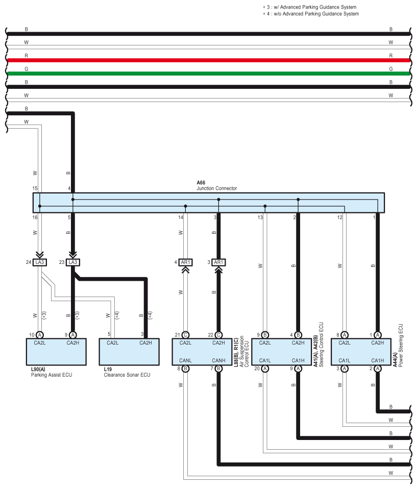
Fig 2: Multiplex Communication System - CAN - Circuit Diagram (2 Of 10)
G07598146Courtesy of © TOYOTA, LICENSE AGREEMENT TMS1002
Fig 3: Multiplex Communication System - CAN - Circuit Diagram (3 Of 10)
G07598147Courtesy of © TOYOTA, LICENSE AGREEMENT TMS1002
Fig 4: Multiplex Communication System - CAN - Circuit Diagram (4 Of 10)
G07598148Courtesy of © TOYOTA, LICENSE AGREEMENT TMS1002
Fig 5: Multiplex Communication System - CAN - Circuit Diagram (5 Of 10)
G07598149Courtesy of © TOYOTA, LICENSE AGREEMENT TMS1002
Fig 6: Multiplex Communication System - CAN - Circuit Diagram (6 Of 10)
G07598150Courtesy of © TOYOTA, LICENSE AGREEMENT TMS1002
Fig 7: Multiplex Communication System - CAN - Circuit Diagram (7 Of 10)
G07598151Courtesy of © TOYOTA, LICENSE AGREEMENT TMS1002
Fig 8: Multiplex Communication System - CAN - Circuit Diagram (8 Of 10)
G07598152Courtesy of © TOYOTA, LICENSE AGREEMENT TMS1002
Fig 9: Multiplex Communication System - CAN - Circuit Diagram (9 Of 10)
G07598153Courtesy of © TOYOTA, LICENSE AGREEMENT TMS1002
Fig 10: Multiplex Communication System - CAN - Circuit Diagram (10 Of 10)
G07598154Courtesy of © TOYOTA, LICENSE AGREEMENT TMS1002