lemon-mirror:
Home >> Lexus >> 2008 >> LS 460L >> Repair and Diagnosis >> Electrical >> Body Electrical >> OEM System Circuits >> Power Outlet - 115V >> Notes

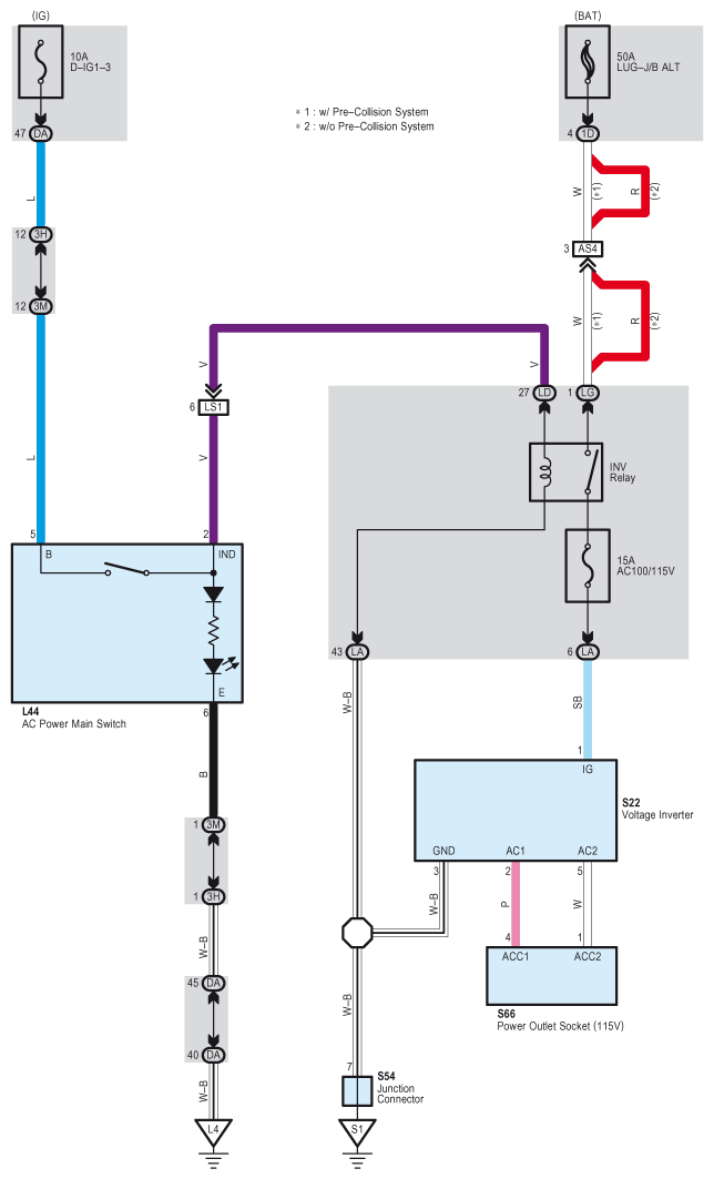
Power Outlet - 115V: Notes

Fig 1: Power Outlet - 115V - Circuit Diagram
G07598429Courtesy of © TOYOTA, LICENSE AGREEMENT TMS1002