lemon-mirror:
Home >> Lexus >> 2008 >> LS 460L >> Repair and Diagnosis >> Electrical >> Body Electrical >> OEM System Circuits >> Theft Deterrent >> Notes

Theft Deterrent: Notes

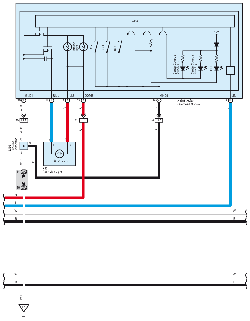
Fig 1: Theft Deterrent - Circuit Diagram (1 Of 10)
G07598242Courtesy of © TOYOTA, LICENSE AGREEMENT TMS1002
Fig 2: Theft Deterrent - Circuit Diagram (2 Of 10)
G07598243Courtesy of © TOYOTA, LICENSE AGREEMENT TMS1002
Fig 3: Theft Deterrent - Circuit Diagram (3 Of 10)
G07598244Courtesy of © TOYOTA, LICENSE AGREEMENT TMS1002
Fig 4: Theft Deterrent - Circuit Diagram (4 Of 10)
G07598245Courtesy of © TOYOTA, LICENSE AGREEMENT TMS1002
Fig 5: Theft Deterrent - Circuit Diagram (5 Of 10)
G07598246Courtesy of © TOYOTA, LICENSE AGREEMENT TMS1002
Fig 6: Theft Deterrent - Circuit Diagram (6 Of 10)
G07598247Courtesy of © TOYOTA, LICENSE AGREEMENT TMS1002
Fig 7: Theft Deterrent - Circuit Diagram (7 Of 10)
G07598248Courtesy of © TOYOTA, LICENSE AGREEMENT TMS1002
Fig 8: Theft Deterrent - Circuit Diagram (8 Of 10)
G07598249Courtesy of © TOYOTA, LICENSE AGREEMENT TMS1002
Fig 9: Theft Deterrent - Circuit Diagram (9 Of 10)
G07598250Courtesy of © TOYOTA, LICENSE AGREEMENT TMS1002
Fig 10: Theft Deterrent - Circuit Diagram (10 Of 10)
G07598251Courtesy of © TOYOTA, LICENSE AGREEMENT TMS1002