lemon-mirror:
Home >> Lexus >> 2008 >> LS 460L >> Repair and Diagnosis >> Electrical >> Body Electrical >> OEM System Circuits >> Wiper and Washer >> Notes

Wiper and Washer: Notes

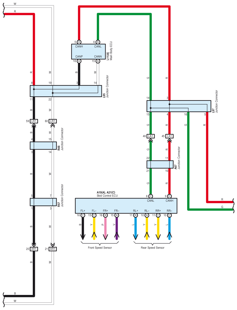
Fig 1: Wiper And Washer - Circuit Diagram (1 Of 5)
G07598217Courtesy of © TOYOTA, LICENSE AGREEMENT TMS1002
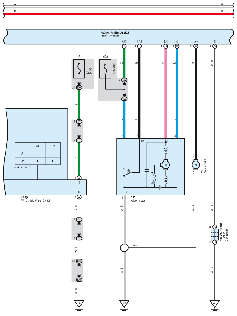
Fig 2: Wiper And Washer - Circuit Diagram (2 Of 5)
G07598218Courtesy of © TOYOTA, LICENSE AGREEMENT TMS1002
Fig 3: Wiper And Washer - Circuit Diagram (3 Of 5)
G07598219Courtesy of © TOYOTA, LICENSE AGREEMENT TMS1002
Fig 4: Wiper And Washer - Circuit Diagram (4 Of 5)
G07598220Courtesy of © TOYOTA, LICENSE AGREEMENT TMS1002
Fig 5: Wiper And Washer - Circuit Diagram (5 Of 5)
G07598221Courtesy of © TOYOTA, LICENSE AGREEMENT TMS1002