lemon-mirror:
Home >> Lexus >> 2008 >> LS 460L >> Repair and Diagnosis >> Electrical >> Horns >> Horn System >> System Diagram

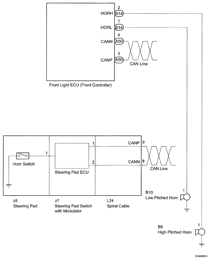
System Diagram

Fig 1: Horn System Diagram
G04945753Courtesy of © TOYOTA, LICENSE AGREEMENT TMS1002

Communication table 

COMMUNICATION CHART

Sender Receiver Signal Line
Steering pad switch with modulator (Steering pad ECU) Front light ECU (Front controller) Horn signal CAN