lemon-mirror:
Home >> Lexus >> 2008 >> LS 600hL >> Repair and Diagnosis >> Body & Frame >> Windows >> Windshield/WINDOWGLASS >> Window Defogger System >> Rear Window Defogger System Does Not Operate >> Wiring Diagram

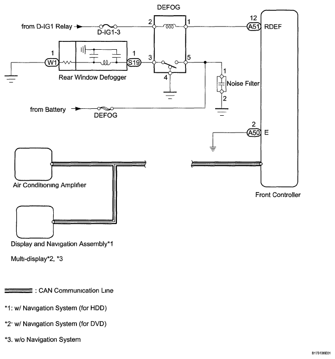
Rear Window Defogger System Does Not Operate: Wiring Diagram

Fig 1: Rear Window Defogger Switch - Wiring Diagram
G05776780Courtesy of © TOYOTA, LICENSE AGREEMENT TMS1002