lemon-mirror:
Home >> Lexus >> 2008 >> LS 600hL >> Repair and Diagnosis >> Electrical >> Body Electrical >> OEM Ground Points >> Ground Point >> Notes

Ground Point: Notes

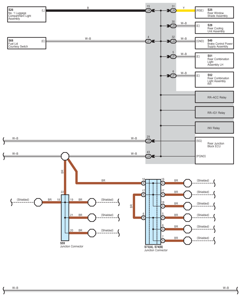
Fig 1: Ground Point - Wiring Diagram (1 Of 14)
G07593222Courtesy of © TOYOTA, LICENSE AGREEMENT TMS1002
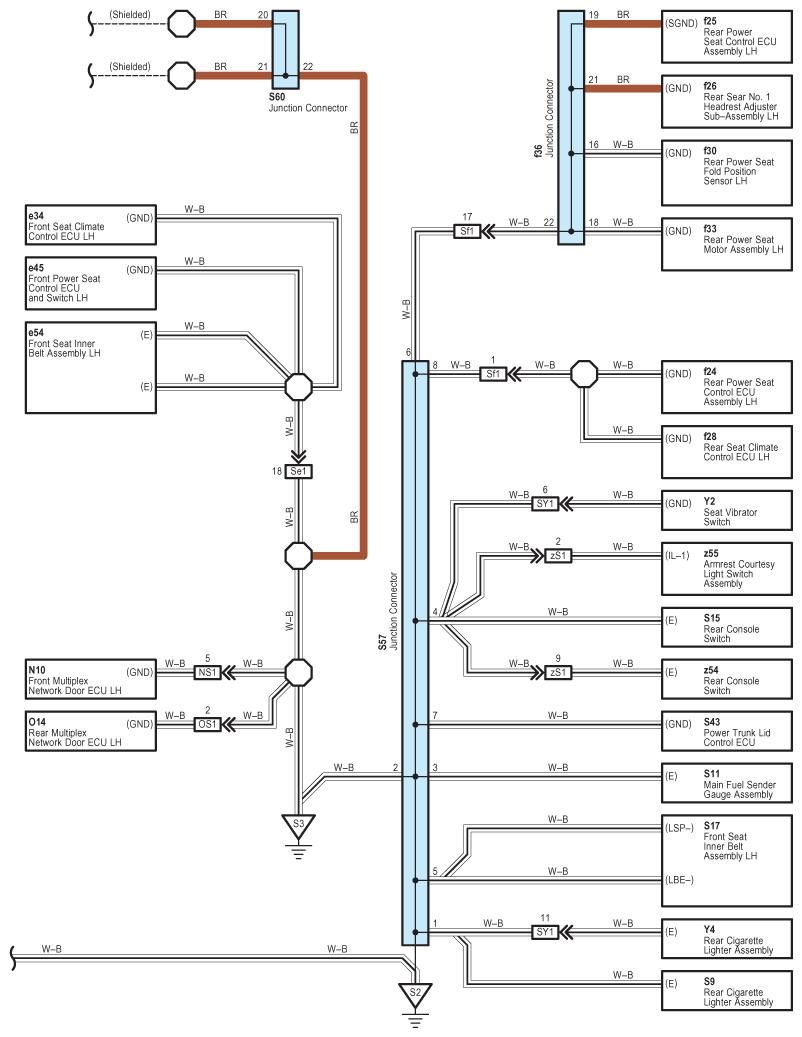
Fig 2: Ground Point - Wiring Diagram (2 Of 14)
G07593223Courtesy of © TOYOTA, LICENSE AGREEMENT TMS1002
Fig 3: Ground Point - Wiring Diagram (3 Of 14)
G07593224Courtesy of © TOYOTA, LICENSE AGREEMENT TMS1002
Fig 4: Ground Point - Wiring Diagram (4 Of 14)
G07593225Courtesy of © TOYOTA, LICENSE AGREEMENT TMS1002
Fig 5: Ground Point - Wiring Diagram (5 Of 14)
G07593226Courtesy of © TOYOTA, LICENSE AGREEMENT TMS1002
Fig 6: Ground Point - Wiring Diagram (6 Of 14)
G07593227Courtesy of © TOYOTA, LICENSE AGREEMENT TMS1002
Fig 7: Ground Point - Wiring Diagram (7 Of 14)
G07593228Courtesy of © TOYOTA, LICENSE AGREEMENT TMS1002
Fig 8: Ground Point - Wiring Diagram (8 Of 14)
G07593229Courtesy of © TOYOTA, LICENSE AGREEMENT TMS1002
Fig 9: Ground Point - Wiring Diagram (9 Of 14)
G07593230Courtesy of © TOYOTA, LICENSE AGREEMENT TMS1002
Fig 10: Ground Point - Wiring Diagram (10 Of 14)
G07593231Courtesy of © TOYOTA, LICENSE AGREEMENT TMS1002
Fig 11: Ground Point - Wiring Diagram (11 Of 14)
G07593232Courtesy of © TOYOTA, LICENSE AGREEMENT TMS1002
Fig 12: Ground Point - Wiring Diagram (12 Of 14)
G07593233Courtesy of © TOYOTA, LICENSE AGREEMENT TMS1002
Fig 13: Ground Point - Wiring Diagram (13 Of 14)
G07593234Courtesy of © TOYOTA, LICENSE AGREEMENT TMS1002
Fig 14: Ground Point - Wiring Diagram (14 Of 14)
G07593235Courtesy of © TOYOTA, LICENSE AGREEMENT TMS1002