lemon-mirror:
Home >> Lexus >> 2008 >> LS 600hL >> Repair and Diagnosis >> Electrical >> Body Electrical >> OEM System Circuits >> Engine Control >> Notes

Engine Control: Notes

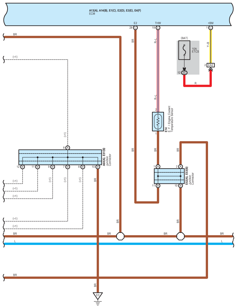
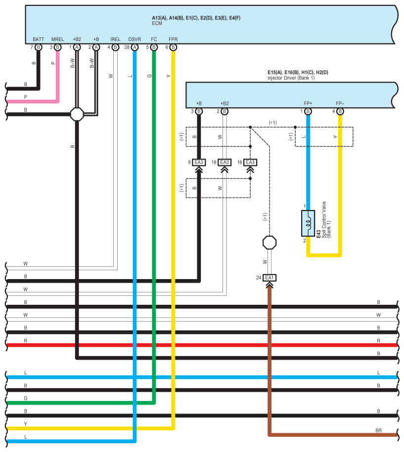
Fig 1: Engine Control - Circuit Diagram (1 Of 24)
G07592784Courtesy of © TOYOTA, LICENSE AGREEMENT TMS1002
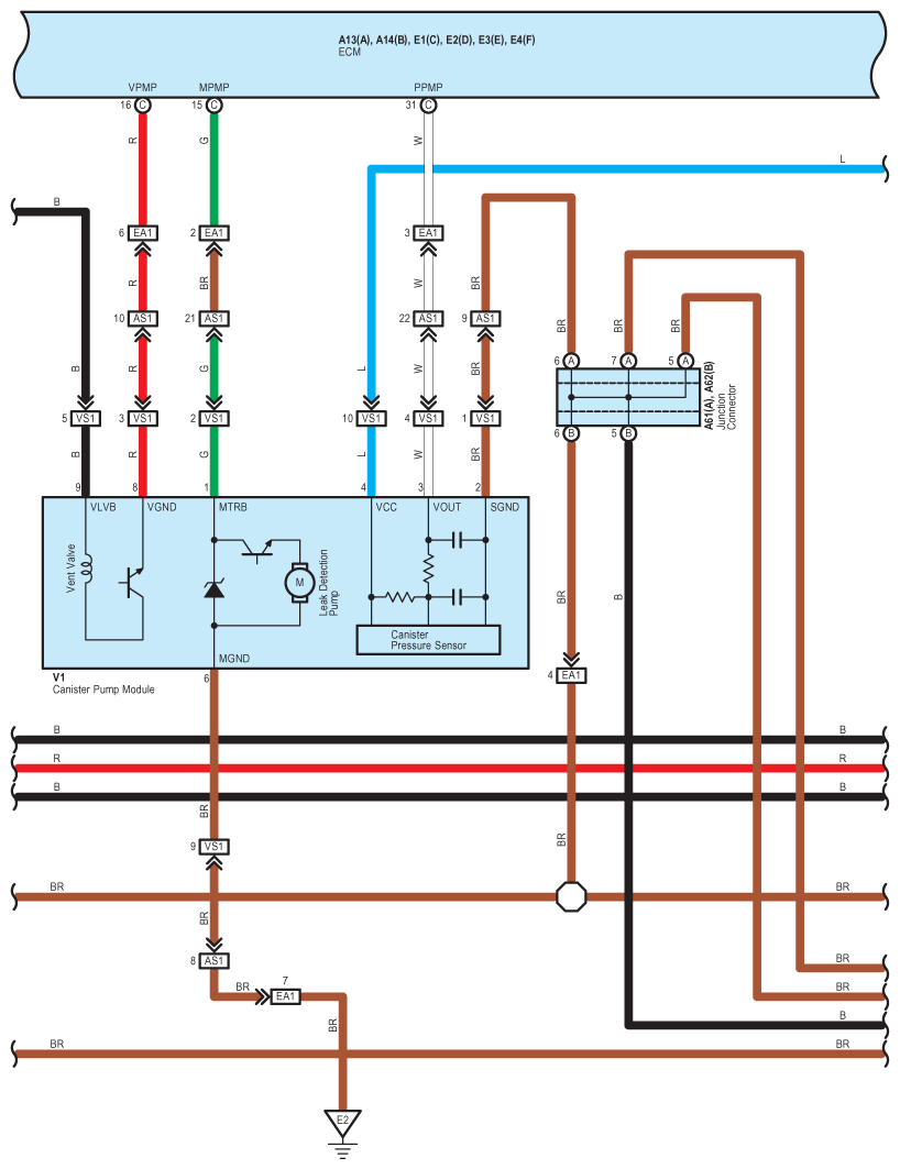
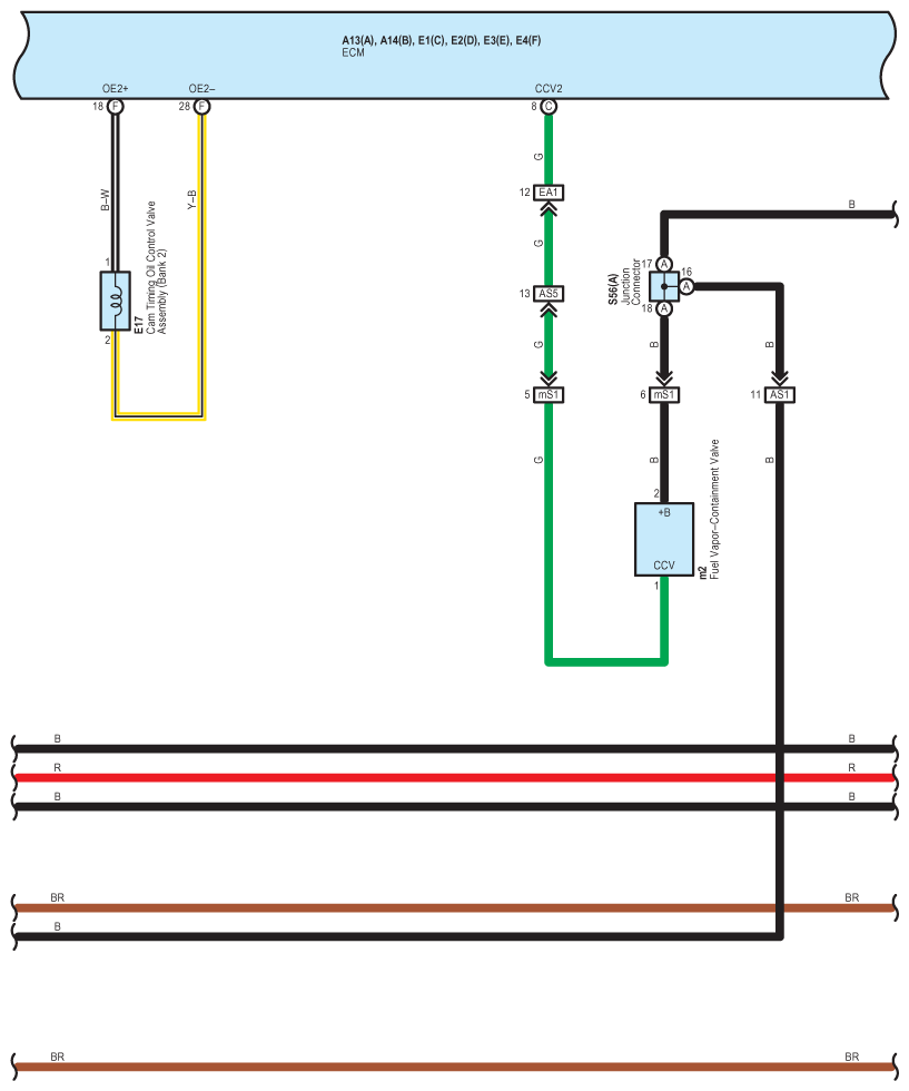
Fig 2: Engine Control - Circuit Diagram (2 Of 24)
G07592785Courtesy of © TOYOTA, LICENSE AGREEMENT TMS1002
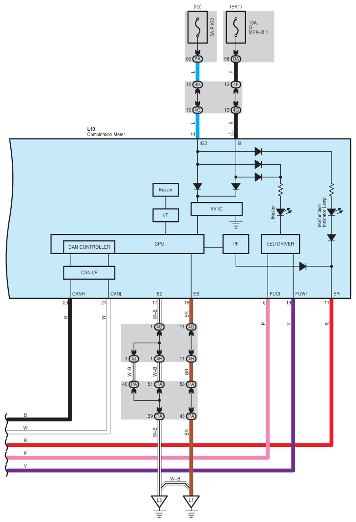
Fig 3: Engine Control - Circuit Diagram (3 Of 24)
G07592786Courtesy of © TOYOTA, LICENSE AGREEMENT TMS1002
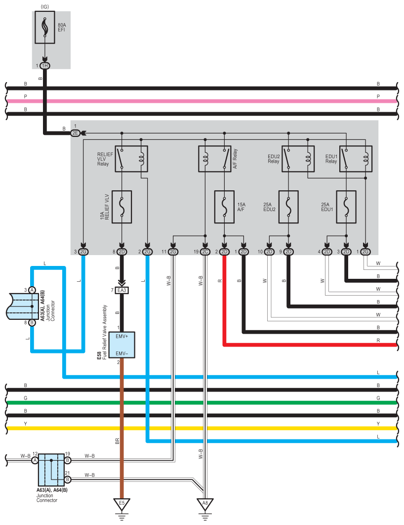
Fig 4: Engine Control - Circuit Diagram (4 Of 24)
G07592787Courtesy of © TOYOTA, LICENSE AGREEMENT TMS1002
Fig 5: Engine Control - Circuit Diagram (5 Of 24)
G07592788Courtesy of © TOYOTA, LICENSE AGREEMENT TMS1002
Fig 6: Engine Control - Circuit Diagram (6 Of 24)
G07592789Courtesy of © TOYOTA, LICENSE AGREEMENT TMS1002
Fig 7: Engine Control - Circuit Diagram (7 Of 24)
G07592790Courtesy of © TOYOTA, LICENSE AGREEMENT TMS1002
Fig 8: Engine Control - Circuit Diagram (8 Of 24)
G07592791Courtesy of © TOYOTA, LICENSE AGREEMENT TMS1002
Fig 9: Engine Control - Circuit Diagram (9 Of 24)
G07592792Courtesy of © TOYOTA, LICENSE AGREEMENT TMS1002
Fig 10: Engine Control - Circuit Diagram (10 Of 24)
G07592793Courtesy of © TOYOTA, LICENSE AGREEMENT TMS1002
Fig 11: Engine Control - Circuit Diagram (11 Of 24)
G07592794Courtesy of © TOYOTA, LICENSE AGREEMENT TMS1002
Fig 12: Engine Control - Circuit Diagram (12 Of 24)
G07592795Courtesy of © TOYOTA, LICENSE AGREEMENT TMS1002
Fig 13: Engine Control - Circuit Diagram (13 Of 24)
G07592796Courtesy of © TOYOTA, LICENSE AGREEMENT TMS1002
Fig 14: Engine Control - Circuit Diagram (14 Of 24)
G07592797Courtesy of © TOYOTA, LICENSE AGREEMENT TMS1002
Fig 15: Engine Control - Circuit Diagram (15 Of 24)
G07592798Courtesy of © TOYOTA, LICENSE AGREEMENT TMS1002
Fig 16: Engine Control - Circuit Diagram (16 Of 24)
G07592799Courtesy of © TOYOTA, LICENSE AGREEMENT TMS1002
Fig 17: Engine Control - Circuit Diagram (17 Of 24)
G07592800Courtesy of © TOYOTA, LICENSE AGREEMENT TMS1002
Fig 18: Engine Control - Circuit Diagram (18 Of 24)
G07592801Courtesy of © TOYOTA, LICENSE AGREEMENT TMS1002
Fig 19: Engine Control - Circuit Diagram (19 Of 24)
G07592802Courtesy of © TOYOTA, LICENSE AGREEMENT TMS1002
Fig 20: Engine Control - Circuit Diagram (20 Of 24)
G07592803Courtesy of © TOYOTA, LICENSE AGREEMENT TMS1002
Fig 21: Engine Control - Circuit Diagram (21 Of 24)
G07592804Courtesy of © TOYOTA, LICENSE AGREEMENT TMS1002
Fig 22: Engine Control - Circuit Diagram (22 Of 24)
G07592805Courtesy of © TOYOTA, LICENSE AGREEMENT TMS1002
Fig 23: Engine Control - Circuit Diagram (23 Of 24)
G07592806Courtesy of © TOYOTA, LICENSE AGREEMENT TMS1002
Fig 24: Engine Control - Circuit Diagram (24 Of 24)
G07592807Courtesy of © TOYOTA, LICENSE AGREEMENT TMS1002