lemon-mirror:
Home >> Lexus >> 2008 >> LS 600hL >> Repair and Diagnosis >> Electrical >> Body Electrical >> OEM System Circuits >> Multiplex Communication System - CAN >> Notes

Multiplex Communication System - CAN: Notes

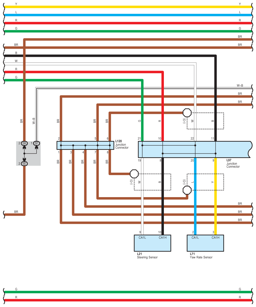
Fig 1: Multiplex Communication System (CAN) - Circuit Diagram (1 Of 19)
G07592809Courtesy of © TOYOTA, LICENSE AGREEMENT TMS1002
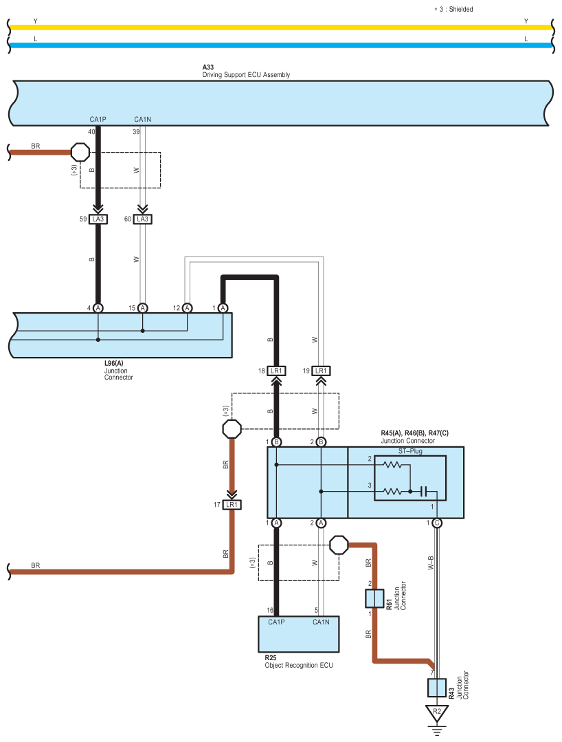
Fig 2: Multiplex Communication System (CAN) - Circuit Diagram (2 Of 19)
G07592810Courtesy of © TOYOTA, LICENSE AGREEMENT TMS1002
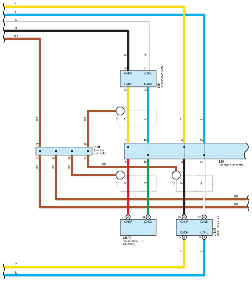
Fig 3: Multiplex Communication System (CAN) - Circuit Diagram (3 Of 19)
G07592811Courtesy of © TOYOTA, LICENSE AGREEMENT TMS1002
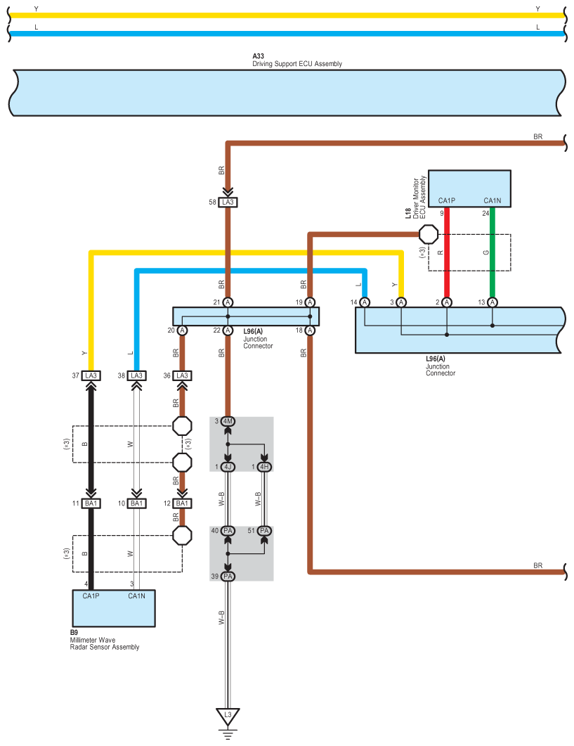
Fig 4: Multiplex Communication System (CAN) - Circuit Diagram (4 Of 19)
G07592812Courtesy of © TOYOTA, LICENSE AGREEMENT TMS1002
Fig 5: Multiplex Communication System (CAN) - Circuit Diagram (5 Of 19)
G07592813Courtesy of © TOYOTA, LICENSE AGREEMENT TMS1002
Fig 6: Multiplex Communication System (CAN) - Circuit Diagram (6 Of 19)
G07592814Courtesy of © TOYOTA, LICENSE AGREEMENT TMS1002
Fig 7: Multiplex Communication System (CAN) - Circuit Diagram (7 Of 19)
G07592815Courtesy of © TOYOTA, LICENSE AGREEMENT TMS1002
Fig 8: Multiplex Communication System (CAN) - Circuit Diagram (8 Of 19)
G07592816Courtesy of © TOYOTA, LICENSE AGREEMENT TMS1002
Fig 9: Multiplex Communication System (CAN) - Circuit Diagram (9 Of 19)
G07592817Courtesy of © TOYOTA, LICENSE AGREEMENT TMS1002
Fig 10: Multiplex Communication System (CAN) - Circuit Diagram (10 Of 19)
G07592818Courtesy of © TOYOTA, LICENSE AGREEMENT TMS1002
Fig 11: Multiplex Communication System (CAN) - Circuit Diagram (11 Of 19)
G07592819Courtesy of © TOYOTA, LICENSE AGREEMENT TMS1002
Fig 12: Multiplex Communication System (CAN) - Circuit Diagram (12 Of 19)
G07592820Courtesy of © TOYOTA, LICENSE AGREEMENT TMS1002
Fig 13: Multiplex Communication System (CAN) - Circuit Diagram (13 Of 19)
G07592821Courtesy of © TOYOTA, LICENSE AGREEMENT TMS1002
Fig 14: Multiplex Communication System (CAN) - Circuit Diagram (14 Of 19)
G07592822Courtesy of © TOYOTA, LICENSE AGREEMENT TMS1002
Fig 15: Multiplex Communication System (CAN) - Circuit Diagram (15 Of 19)
G07592823Courtesy of © TOYOTA, LICENSE AGREEMENT TMS1002
Fig 16: Multiplex Communication System (CAN) - Circuit Diagram (16 Of 19)
G07592824Courtesy of © TOYOTA, LICENSE AGREEMENT TMS1002
Fig 17: Multiplex Communication System (CAN) - Circuit Diagram (17 Of 19)
G07592825Courtesy of © TOYOTA, LICENSE AGREEMENT TMS1002
Fig 18: Multiplex Communication System (CAN) - Circuit Diagram (18 Of 19)
G07592826Courtesy of © TOYOTA, LICENSE AGREEMENT TMS1002
Fig 19: Multiplex Communication System (CAN) - Circuit Diagram (19 Of 19)
G07592827Courtesy of © TOYOTA, LICENSE AGREEMENT TMS1002