lemon-mirror:
Home >> Lexus >> 2008 >> LS 600hL >> Repair and Diagnosis >> Electrical >> Body Electrical >> OEM System Circuits >> Power Source >> Notes

Power Source: Notes

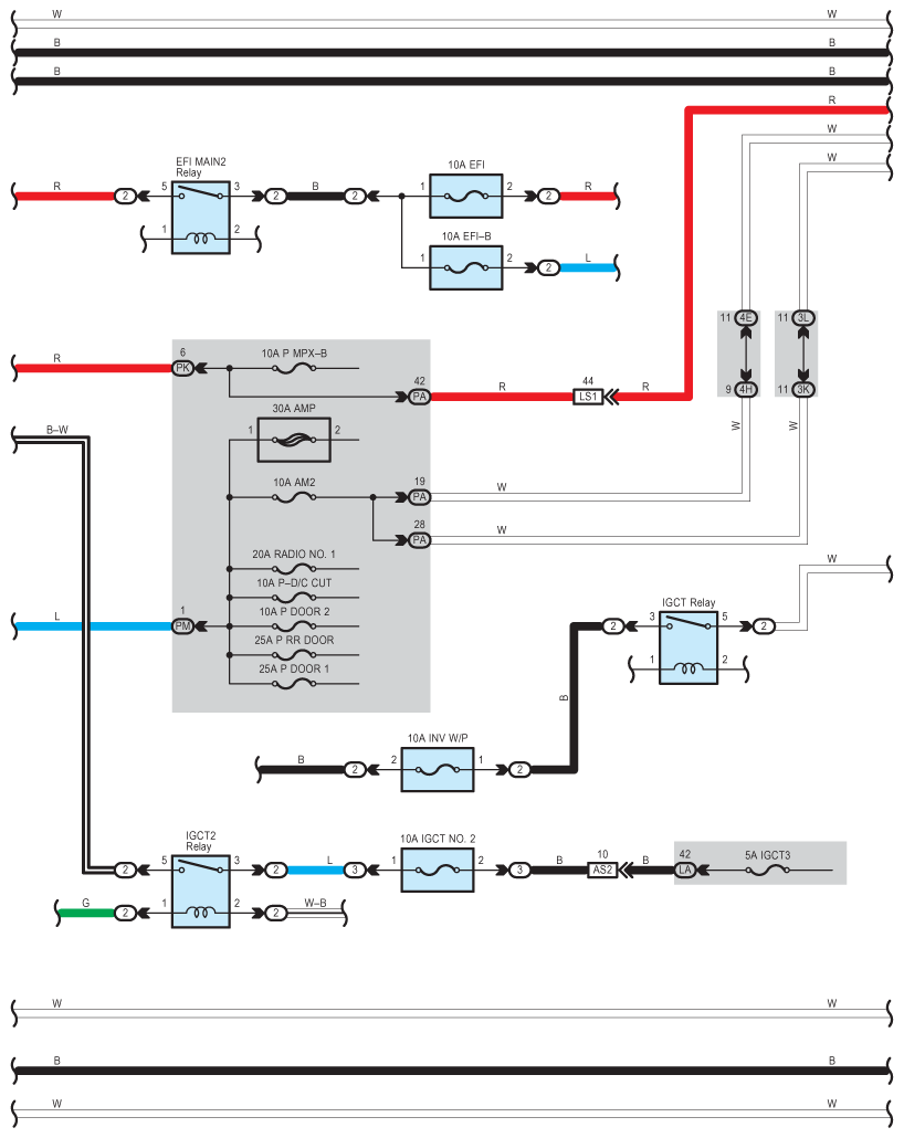
Fig 1: Power Source - Circuit Diagram (1 Of 9)
G07592720Courtesy of © TOYOTA, LICENSE AGREEMENT TMS1002
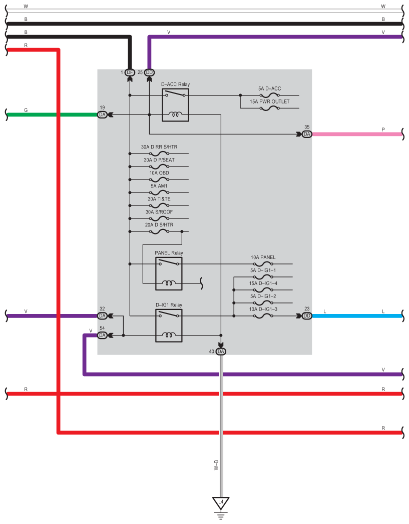
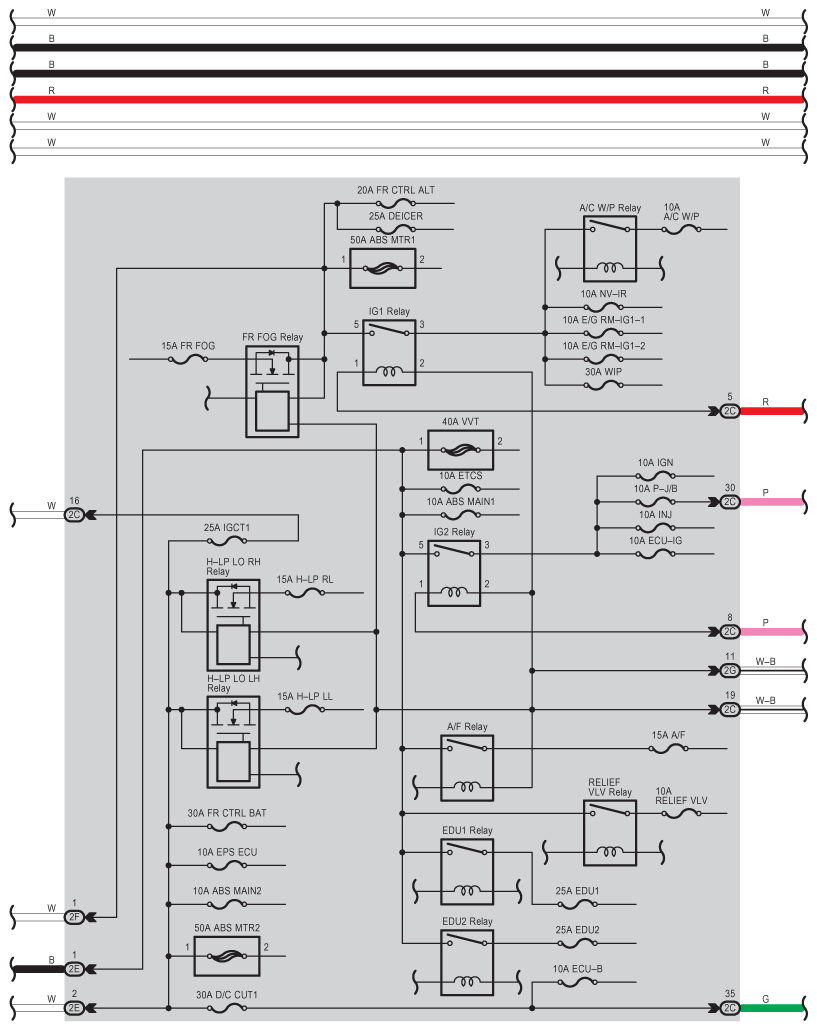
Fig 2: Power Source - Circuit Diagram (2 Of 9)
G07592721Courtesy of © TOYOTA, LICENSE AGREEMENT TMS1002
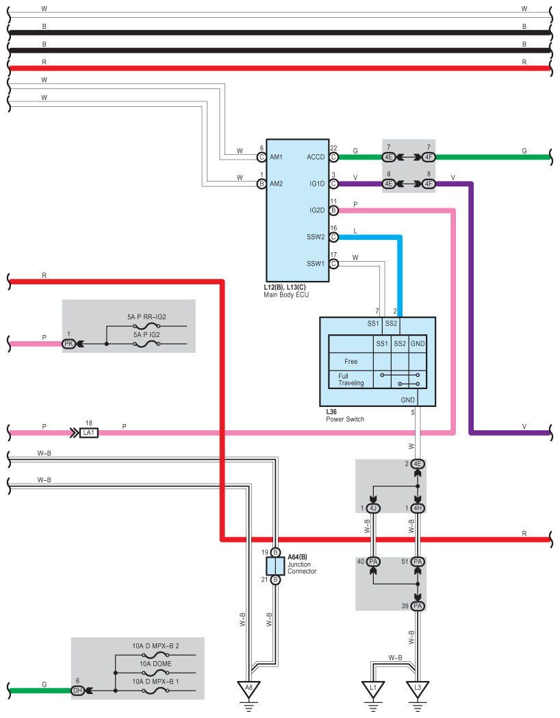
Fig 3: Power Source - Circuit Diagram (3 Of 9)
G07592722Courtesy of © TOYOTA, LICENSE AGREEMENT TMS1002
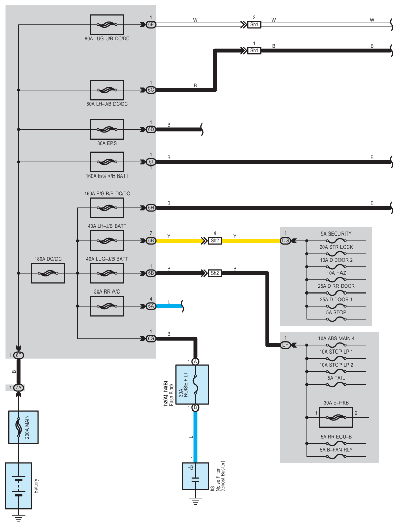
Fig 4: Power Source - Circuit Diagram (4 Of 9)
G07592723Courtesy of © TOYOTA, LICENSE AGREEMENT TMS1002
Fig 5: Power Source - Circuit Diagram (5 Of 9)
G07592724Courtesy of © TOYOTA, LICENSE AGREEMENT TMS1002
Fig 6: Power Source - Circuit Diagram (6 Of 9)
G07592725Courtesy of © TOYOTA, LICENSE AGREEMENT TMS1002
Fig 7: Power Source - Circuit Diagram (7 Of 9)
G07592726Courtesy of © TOYOTA, LICENSE AGREEMENT TMS1002
Fig 8: Power Source - Circuit Diagram (8 Of 9)
G07592727Courtesy of © TOYOTA, LICENSE AGREEMENT TMS1002
Fig 9: Power Source - Circuit Diagram (9 Of 9)
G07592728Courtesy of © TOYOTA, LICENSE AGREEMENT TMS1002