lemon-mirror:
Home >> Lexus >> 2008 >> LS 600hL >> Repair and Diagnosis >> Electrical >> Body Electrical >> OEM System Circuits >> Wiper and Washer >> Notes

Wiper and Washer: Notes

Fig 1: Wiper And Washer - Circuit Diagram (1 Of 4)
G07592888Courtesy of © TOYOTA, LICENSE AGREEMENT TMS1002
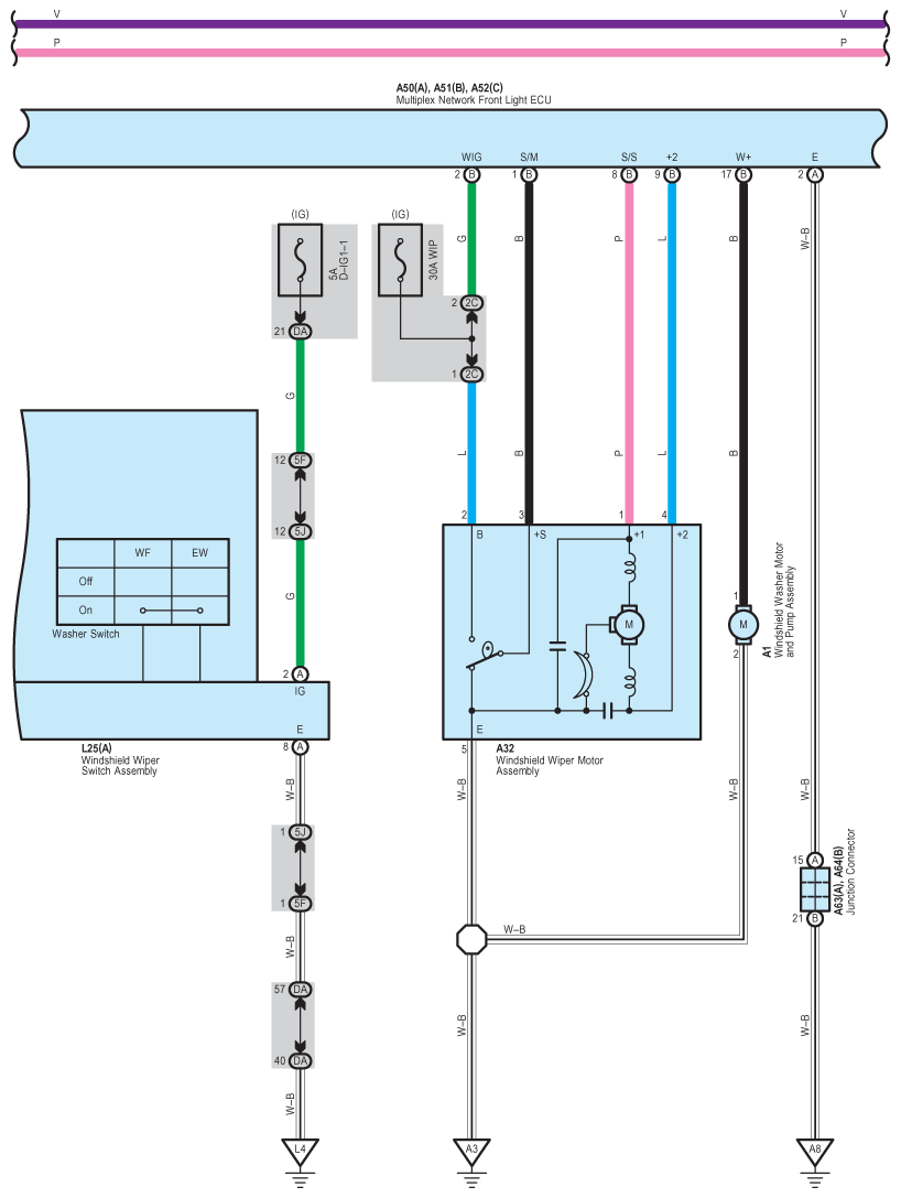
Fig 2: Wiper And Washer - Circuit Diagram (2 Of 4)
G07592889Courtesy of © TOYOTA, LICENSE AGREEMENT TMS1002
Fig 3: Wiper And Washer - Circuit Diagram (3 Of 4)
G07592890Courtesy of © TOYOTA, LICENSE AGREEMENT TMS1002
Fig 4: Wiper And Washer - Circuit Diagram (4 Of 4)
G07592891Courtesy of © TOYOTA, LICENSE AGREEMENT TMS1002