lemon-mirror:
Home >> Lexus >> 2008 >> LX 570 >> Repair and Diagnosis >> Electrical >> Body Electrical >> OEM System Circuits >> Automatic Glare-Resistant EC Mirror >> Notes

Automatic Glare-Resistant EC Mirror: Notes

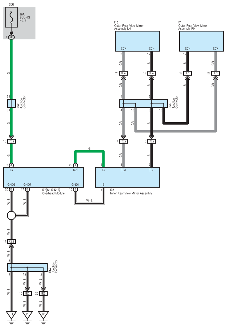
Fig 1: Automatic Glare-Resistant EC Mirror - Circuit Diagram
G07596977Courtesy of © TOYOTA, LICENSE AGREEMENT TMS1002