lemon-mirror:
Home >> Lexus >> 2008 >> LX 570 >> Repair and Diagnosis >> Electrical >> Body Electrical >> OEM System Circuits >> Charging >> Notes

OEM System Circuits: Charging: Notes

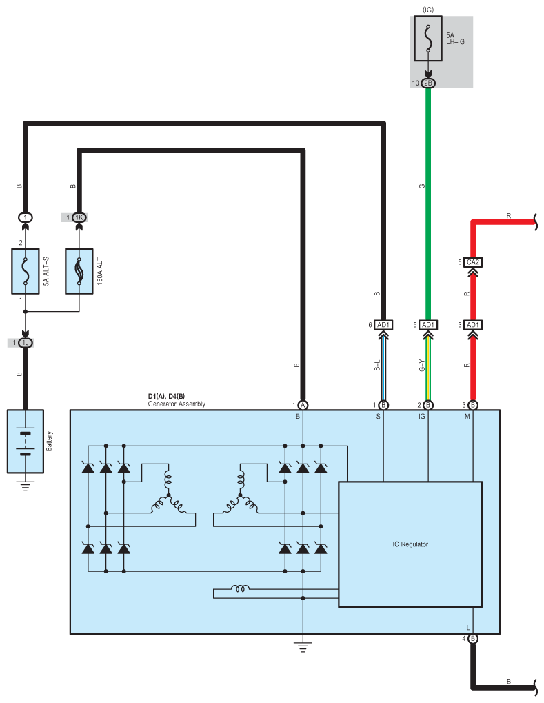
Fig 1: Charging - Circuit Diagram (1 Of 2)
G07596776Courtesy of © TOYOTA, LICENSE AGREEMENT TMS1002
Fig 2: Charging - Circuit Diagram (2 Of 2)
G07596777Courtesy of © TOYOTA, LICENSE AGREEMENT TMS1002