lemon-mirror:
Home >> Lexus >> 2008 >> LX 570 >> Repair and Diagnosis >> Electrical >> Body Electrical >> OEM System Circuits >> Engine Control, ECT and A/T Indicator >> Notes

Engine Control, ECT and A/T Indicator: Notes

Fig 1: Engine Control, ECT And A/T Indicator - Circuit Diagram (1 Of 19)
G07596780Courtesy of © TOYOTA, LICENSE AGREEMENT TMS1002
Fig 2: Engine Control, ECT And A/T Indicator - Circuit Diagram (2 Of 19)
G07596781Courtesy of © TOYOTA, LICENSE AGREEMENT TMS1002
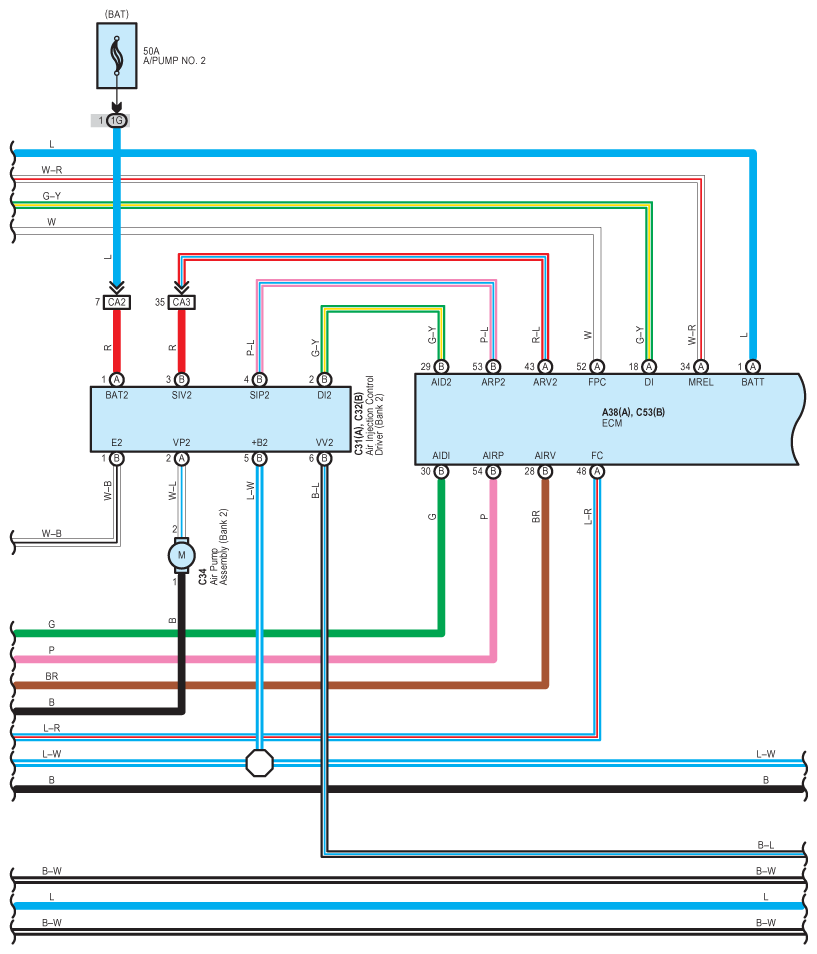
Fig 3: Engine Control, ECT And A/T Indicator - Circuit Diagram (3 Of 19)
G07596782Courtesy of © TOYOTA, LICENSE AGREEMENT TMS1002
Fig 4: Engine Control, ECT And A/T Indicator - Circuit Diagram (4 Of 19)
G07596783Courtesy of © TOYOTA, LICENSE AGREEMENT TMS1002
Fig 5: Engine Control, ECT And A/T Indicator - Circuit Diagram (5 Of 19)
G07596784Courtesy of © TOYOTA, LICENSE AGREEMENT TMS1002
Fig 6: Engine Control, ECT And A/T Indicator - Circuit Diagram (6 Of 19)
G07596785Courtesy of © TOYOTA, LICENSE AGREEMENT TMS1002
Fig 7: Engine Control, ECT And A/T Indicator - Circuit Diagram (7 Of 19)
G07596786Courtesy of © TOYOTA, LICENSE AGREEMENT TMS1002
Fig 8: Engine Control, ECT And A/T Indicator - Circuit Diagram (8 Of 19)
G07596787Courtesy of © TOYOTA, LICENSE AGREEMENT TMS1002
Fig 9: Engine Control, ECT And A/T Indicator - Circuit Diagram (9 Of 19)
G07596788Courtesy of © TOYOTA, LICENSE AGREEMENT TMS1002
Fig 10: Engine Control, ECT And A/T Indicator - Circuit Diagram (10 Of 19)
G07596789Courtesy of © TOYOTA, LICENSE AGREEMENT TMS1002
Fig 11: Engine Control, ECT And A/T Indicator - Circuit Diagram (11 Of 19)
G07596790Courtesy of © TOYOTA, LICENSE AGREEMENT TMS1002
Fig 12: Engine Control, ECT And A/T Indicator - Circuit Diagram (12 Of 19)
G07596791Courtesy of © TOYOTA, LICENSE AGREEMENT TMS1002
Fig 13: Engine Control, ECT And A/T Indicator - Circuit Diagram (13 Of 19)
G07596792Courtesy of © TOYOTA, LICENSE AGREEMENT TMS1002
Fig 14: Engine Control, ECT And A/T Indicator - Circuit Diagram (14 Of 19)
G07596793Courtesy of © TOYOTA, LICENSE AGREEMENT TMS1002
Fig 15: Engine Control, ECT And A/T Indicator - Circuit Diagram (15 Of 19)
G07596794Courtesy of © TOYOTA, LICENSE AGREEMENT TMS1002
Fig 16: Engine Control, ECT And A/T Indicator - Circuit Diagram (16 Of 19)
G07596795Courtesy of © TOYOTA, LICENSE AGREEMENT TMS1002
Fig 17: Engine Control, ECT And A/T Indicator - Circuit Diagram (17 Of 19)
G07596796Courtesy of © TOYOTA, LICENSE AGREEMENT TMS1002
Fig 18: Engine Control, ECT And A/T Indicator - Circuit Diagram (18 Of 19)
G07596797Courtesy of © TOYOTA, LICENSE AGREEMENT TMS1002
Fig 19: Engine Control, ECT And A/T Indicator - Circuit Diagram (19 Of 19)
G07596798Courtesy of © TOYOTA, LICENSE AGREEMENT TMS1002