lemon-mirror:
Home >> Lexus >> 2008 >> LX 570 >> Repair and Diagnosis >> Electrical >> Starter >> Starting >> Starting System >> System Diagram

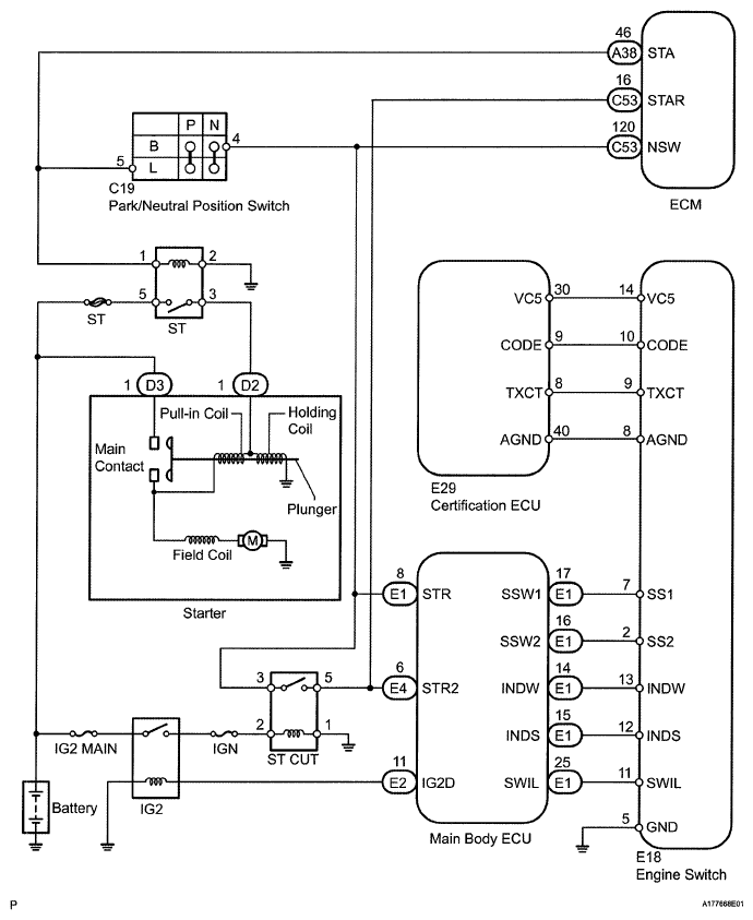
System Diagram

Fig 1: Starting System Diagram
G05762210Courtesy of © TOYOTA, LICENSE AGREEMENT TMS1002