lemon-mirror:
Home >> Lexus >> 2008 >> LX 570 >> Repair and Diagnosis >> Engine Performance >> System >> Engine Control System - System Descriptions And Testing, On-Vehicle Inspection, Removal And Installation >> Ignition System >> System Diagram

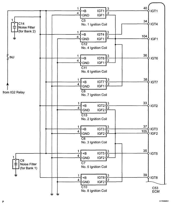
System Diagram

Fig 1: Ignition System Diagram (1 Of 2)
G05628200Courtesy of © TOYOTA, LICENSE AGREEMENT TMS1002
Fig 2: Ignition System Diagram (2 Of 2)
G05628201Courtesy of © TOYOTA, LICENSE AGREEMENT TMS1002