lemon-mirror:
Home >> Lexus >> 2008 >> RX 350 FWD >> Repair and Diagnosis >> Electrical >> Body Electrical >> OEM System Circuits >> Adaptive Front-Lighting System >> Notes

Adaptive Front-Lighting System: Notes

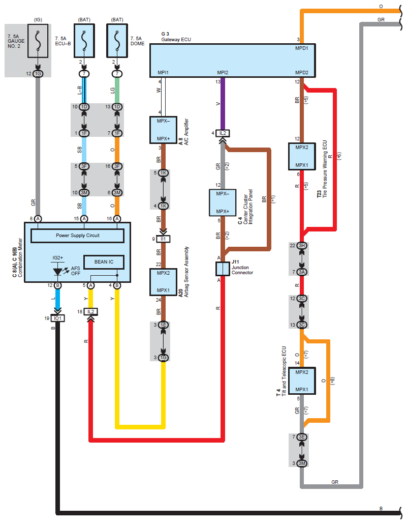
Fig 1: Adaptive Front-Lighting System - Circuit Diagram (1 Of 5)
G07602880Courtesy of © TOYOTA, LICENSE AGREEMENT TMS1002
Fig 2: Adaptive Front-Lighting System - Circuit Diagram (2 Of 5)
G07602881Courtesy of © TOYOTA, LICENSE AGREEMENT TMS1002
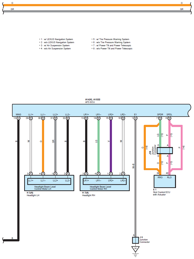
Fig 3: Adaptive Front-Lighting System - Circuit Diagram (3 Of 5)
G07602882Courtesy of © TOYOTA, LICENSE AGREEMENT TMS1002
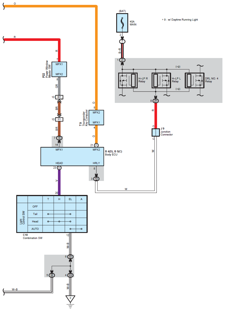
Fig 4: Adaptive Front-Lighting System - Circuit Diagram (4 Of 5)
G07602883Courtesy of © TOYOTA, LICENSE AGREEMENT TMS1002
Fig 5: Adaptive Front-Lighting System - Circuit Diagram (5 Of 5)
G07602884Courtesy of © TOYOTA, LICENSE AGREEMENT TMS1002