lemon-mirror:
Home >> Lexus >> 2008 >> RX 350 FWD >> Repair and Diagnosis >> Electrical >> Body Electrical >> OEM System Circuits >> Automatic Light Control >> Notes

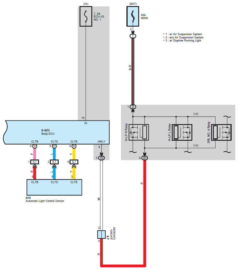
Automatic Light Control: Notes

Fig 1: Automatic Light Control - Circuit Diagram (1 Of 2)
G07602874Courtesy of © TOYOTA, LICENSE AGREEMENT TMS1002
Fig 2: Automatic Light Control - Circuit Diagram (2 Of 2)
G07602875Courtesy of © TOYOTA, LICENSE AGREEMENT TMS1002