lemon-mirror:
Home >> Lexus >> 2008 >> RX 350 FWD >> Repair and Diagnosis >> Electrical >> Body Electrical >> OEM System Circuits >> Headlight Cleaner >> Notes

Headlight Cleaner: Notes

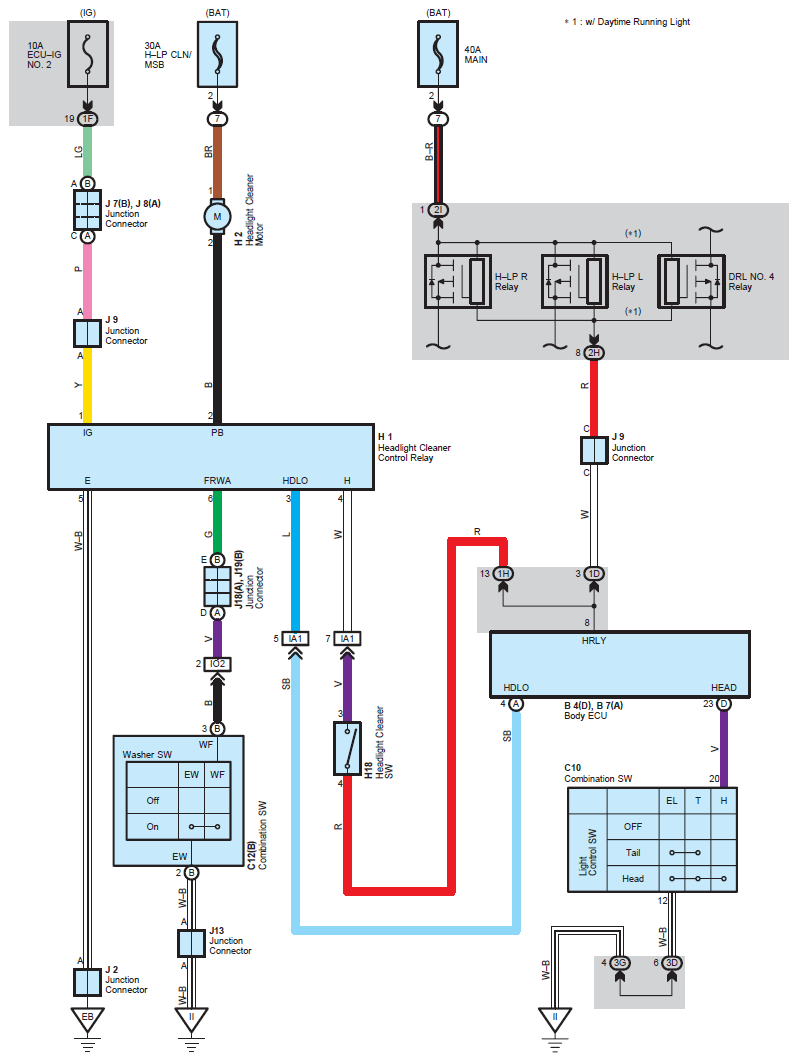
Fig 1: Headlight Cleaner - Circuit Diagram
G07602917Courtesy of © TOYOTA, LICENSE AGREEMENT TMS1002