lemon-mirror:
Home >> Lexus >> 2008 >> RX 350 FWD >> Repair and Diagnosis >> Electrical >> Body Electrical >> OEM System Circuits >> Multiplex Communication System - BEAN >> Notes

Multiplex Communication System - BEAN: Notes

Fig 1: Multiplex Communication System (BEAN) - Circuit Diagram (1 Of 25)
G07602820Courtesy of © TOYOTA, LICENSE AGREEMENT TMS1002
Fig 2: Multiplex Communication System (BEAN) - Circuit Diagram (2 Of 25)
G07602821Courtesy of © TOYOTA, LICENSE AGREEMENT TMS1002
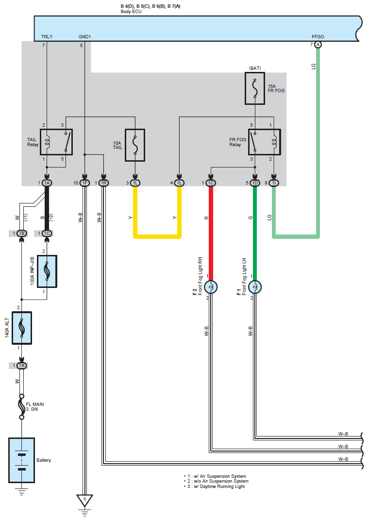
Fig 3: Multiplex Communication System (BEAN) - Circuit Diagram (3 Of 25)
G07602822Courtesy of © TOYOTA, LICENSE AGREEMENT TMS1002
Fig 4: Multiplex Communication System (BEAN) - Circuit Diagram (4 Of 25)
G07602823Courtesy of © TOYOTA, LICENSE AGREEMENT TMS1002
Fig 5: Multiplex Communication System (BEAN) - Circuit Diagram (5 Of 25)
G07602824Courtesy of © TOYOTA, LICENSE AGREEMENT TMS1002
Fig 6: Multiplex Communication System (BEAN) - Circuit Diagram (6 Of 25)
G07602825Courtesy of © TOYOTA, LICENSE AGREEMENT TMS1002
Fig 7: Multiplex Communication System (BEAN) - Circuit Diagram (7 Of 25)
G07602826Courtesy of © TOYOTA, LICENSE AGREEMENT TMS1002
Fig 8: Multiplex Communication System (BEAN) - Circuit Diagram (8 Of 25)
G07602827Courtesy of © TOYOTA, LICENSE AGREEMENT TMS1002
Fig 9: Multiplex Communication System (BEAN) - Circuit Diagram (9 Of 25)
G07602828Courtesy of © TOYOTA, LICENSE AGREEMENT TMS1002
Fig 10: Multiplex Communication System (BEAN) - Circuit Diagram (10 Of 25)
G07602829Courtesy of © TOYOTA, LICENSE AGREEMENT TMS1002
Fig 11: Multiplex Communication System (BEAN) - Circuit Diagram (11 Of 25)
G07602830Courtesy of © TOYOTA, LICENSE AGREEMENT TMS1002
Fig 12: Multiplex Communication System (BEAN) - Circuit Diagram (12 Of 25)
G07602831Courtesy of © TOYOTA, LICENSE AGREEMENT TMS1002
Fig 13: Multiplex Communication System (BEAN) - Circuit Diagram (13 Of 25)
G07602832Courtesy of © TOYOTA, LICENSE AGREEMENT TMS1002
Fig 14: Multiplex Communication System (BEAN) - Circuit Diagram (14 Of 25)
G07602833Courtesy of © TOYOTA, LICENSE AGREEMENT TMS1002
Fig 15: Multiplex Communication System (BEAN) - Circuit Diagram (15 Of 25)
G07602834Courtesy of © TOYOTA, LICENSE AGREEMENT TMS1002
Fig 16: Multiplex Communication System (BEAN) - Circuit Diagram (16 Of 25)
G07602835Courtesy of © TOYOTA, LICENSE AGREEMENT TMS1002
Fig 17: Multiplex Communication System (BEAN) - Circuit Diagram (17 Of 25)
G07602836Courtesy of © TOYOTA, LICENSE AGREEMENT TMS1002
Fig 18: Multiplex Communication System (BEAN) - Circuit Diagram (18 Of 25)
G07602837Courtesy of © TOYOTA, LICENSE AGREEMENT TMS1002
Fig 19: Multiplex Communication System (BEAN) - Circuit Diagram (19 Of 25)
G07602838Courtesy of © TOYOTA, LICENSE AGREEMENT TMS1002
Fig 20: Multiplex Communication System (BEAN) - Circuit Diagram (20 Of 25)
G07602839Courtesy of © TOYOTA, LICENSE AGREEMENT TMS1002
Fig 21: Multiplex Communication System (BEAN) - Circuit Diagram (21 Of 25)
G07602840Courtesy of © TOYOTA, LICENSE AGREEMENT TMS1002
Fig 22: Multiplex Communication System (BEAN) - Circuit Diagram (22 Of 25)
G07602841Courtesy of © TOYOTA, LICENSE AGREEMENT TMS1002
Fig 23: Multiplex Communication System (BEAN) - Circuit Diagram (23 Of 25)
G07602842Courtesy of © TOYOTA, LICENSE AGREEMENT TMS1002
Fig 24: Multiplex Communication System (BEAN) - Circuit Diagram (24 Of 25)
G07602843Courtesy of © TOYOTA, LICENSE AGREEMENT TMS1002
Fig 25: Multiplex Communication System (BEAN) - Circuit Diagram (25 Of 25)
G07602844Courtesy of © TOYOTA, LICENSE AGREEMENT TMS1002