lemon-mirror:
Home >> Lexus >> 2008 >> RX 350 FWD >> Repair and Diagnosis >> Electrical >> Body Electrical >> OEM System Circuits >> Wireless Door Lock Control >> Notes

Wireless Door Lock Control: Notes

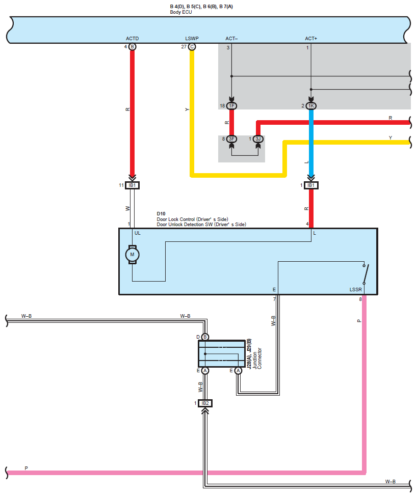
Fig 1: Wireless Door Lock Control - Circuit Diagram (1 Of 10)
G07602894Courtesy of © TOYOTA, LICENSE AGREEMENT TMS1002
Fig 2: Wireless Door Lock Control - Circuit Diagram (2 Of 10)
G07602895Courtesy of © TOYOTA, LICENSE AGREEMENT TMS1002
Fig 3: Wireless Door Lock Control - Circuit Diagram (3 Of 10)
G07602896Courtesy of © TOYOTA, LICENSE AGREEMENT TMS1002
Fig 4: Wireless Door Lock Control - Circuit Diagram (4 Of 10)
G07602897Courtesy of © TOYOTA, LICENSE AGREEMENT TMS1002
Fig 5: Wireless Door Lock Control - Circuit Diagram (5 Of 10)
G07602898Courtesy of © TOYOTA, LICENSE AGREEMENT TMS1002
Fig 6: Wireless Door Lock Control - Circuit Diagram (6 Of 10)
G07602899Courtesy of © TOYOTA, LICENSE AGREEMENT TMS1002
Fig 7: Wireless Door Lock Control - Circuit Diagram (7 Of 10)
G07602900Courtesy of © TOYOTA, LICENSE AGREEMENT TMS1002
Fig 8: Wireless Door Lock Control - Circuit Diagram (8 Of 10)
G07602901Courtesy of © TOYOTA, LICENSE AGREEMENT TMS1002
Fig 9: Wireless Door Lock Control - Circuit Diagram (9 Of 10)
G07602902Courtesy of © TOYOTA, LICENSE AGREEMENT TMS1002
Fig 10: Wireless Door Lock Control - Circuit Diagram (10 Of 10)
G07602903Courtesy of © TOYOTA, LICENSE AGREEMENT TMS1002