lemon-mirror:
Home >> Lexus >> 2008 >> RX 400h FWD >> Repair and Diagnosis >> Electrical >> Body Electrical >> OEM System Circuits >> Power Source >> Notes

Power Source: Notes

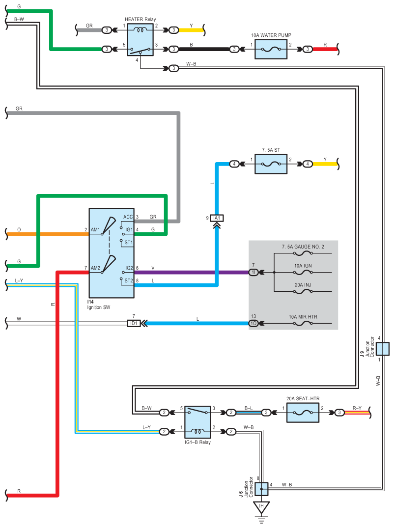
Fig 1: Power Source - Circuit Diagram (1 Of 4)
G07609770Courtesy of © TOYOTA, LICENSE AGREEMENT TMS1002
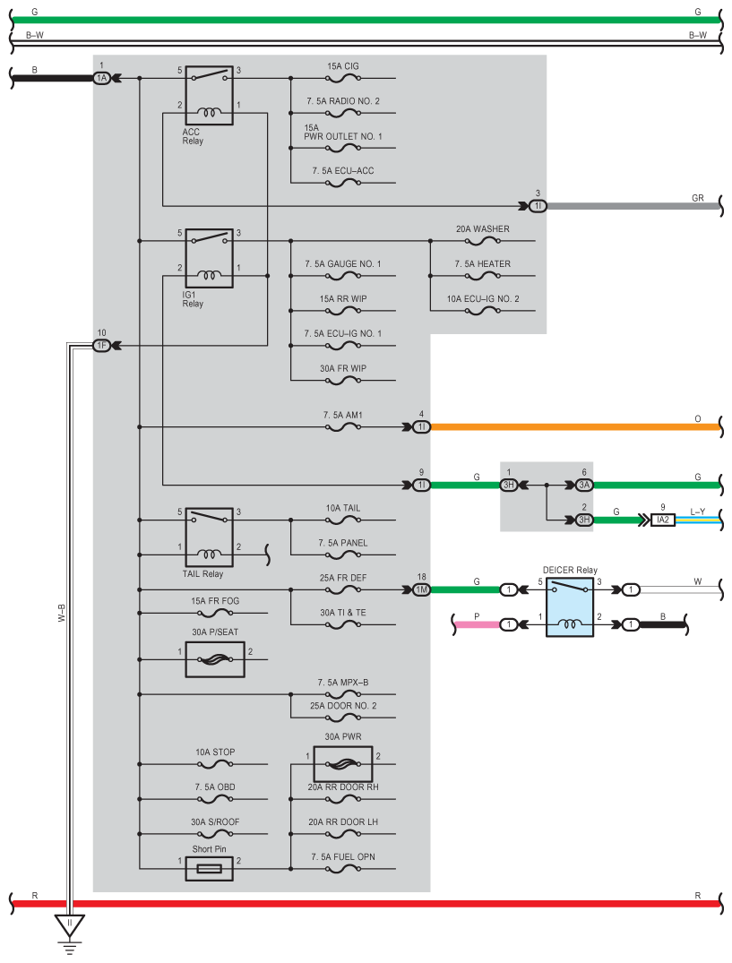
Fig 2: Power Source - Circuit Diagram (2 Of 4)
G07609771Courtesy of © TOYOTA, LICENSE AGREEMENT TMS1002
Fig 3: Power Source - Circuit Diagram (3 Of 4)
G07609772Courtesy of © TOYOTA, LICENSE AGREEMENT TMS1002
Fig 4: Power Source - Circuit Diagram (4 Of 4)
G07609773Courtesy of © TOYOTA, LICENSE AGREEMENT TMS1002