lemon-mirror:
Home >> Lexus >> 2008 >> RX 400h FWD >> Repair and Diagnosis >> Electrical >> Body Electrical >> OEM System Circuits >> Rear Window Defogger >> Notes

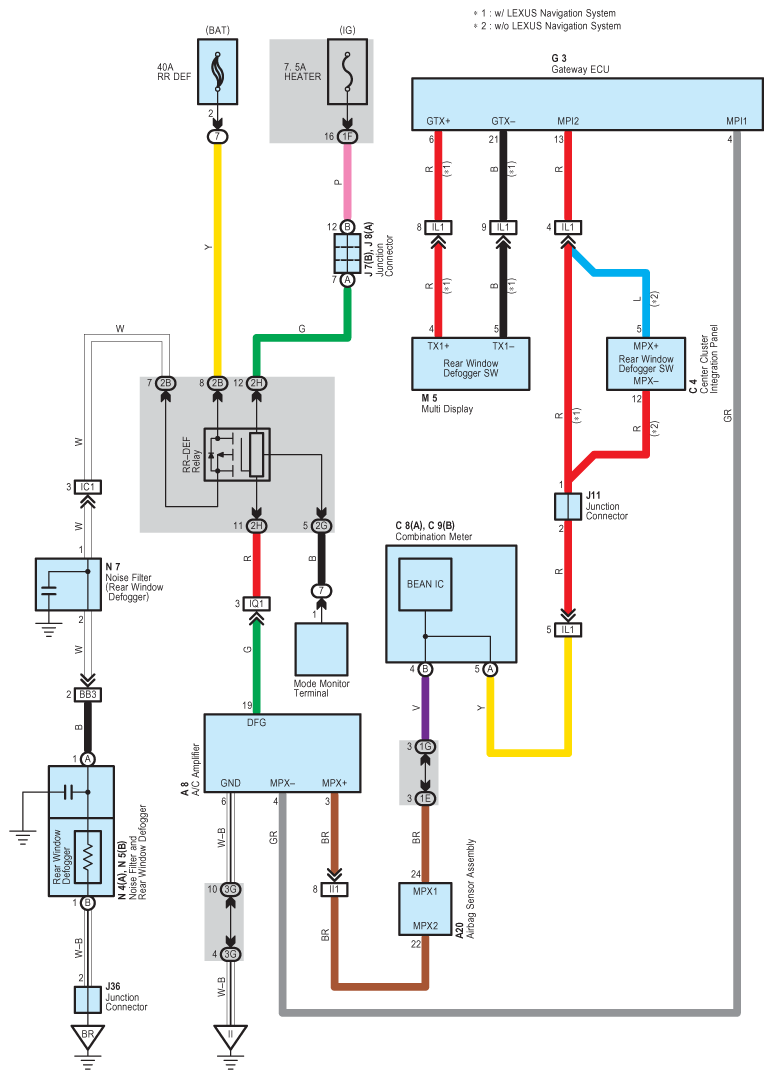
Rear Window Defogger: Notes

Fig 1: Rear Window Defogger - Circuit Diagram
G07609978Courtesy of © TOYOTA, LICENSE AGREEMENT TMS1002